继电保护装置是在电力网、发电厂、变电所及电气设备发生断线、短路、接地等故障,及过载、过热等不正常运行时及时发出信号,并使断路器自动跳闸,切断故障通路的一种自动装置。
继电保护装置在大多数情况下是由几个继电器组成的自动装置、按其工作原理分有:过电流保护、电流速断保护,过(欠)电压保护、差动保护、瓦斯保护、单相接地保护等。对继电保护的基本要求是良好的选择性、反应故障的快速性、灵敏性、可靠性及投资维护的经济性。
过电流保护装置
过电流保护是一种最基本的电流保护,用来反应短路故障及严重的过载故障。保护对象广泛:如线路、发电机、变压器和各种负载等。过电流保护一般带有动作时限,可分为定时限和反时限两种。
所谓定时限过电流保护是不管故障电流超过整定值多少、其动作时间是一定的。若动作时间与故障电流成反比变化,即故障电流超过整定值越多,动作时间越快,则称为反时限过电流保护。下图所示是过电流保护的方框图。图中启动、时限、信号、出口各个环节分别是电流继电器、时间继电器、信号继电器、中间继电器。

当线路出现短路故障时,通过电流互感器TA,电流继电器检测出故障并启动,经过时间环节的延时后,再利用中间继电器使断路器QF跳闸,同时通过信号继电器发出灯光及音响信号。
过电流保护的主要优点是结构简单、可靠、经济、缺点是随着电网延伸段数的增多,靠边电源的过载电流保护装置的时限将很长,有时长到不能允许的程度。此外,当负荷电流很大时,保护的灵敏度往往不能满足要求。
电流速断保护
这是另一种电流保护。这种保护没有延时性,是瞬时动作的,上右图去掉时限环节,即为速断保护框图。速断保护通常与过电流保护配合使用。构成所谓“两段式保护”。
电流速断保护突出优点是结构简单、动作迅速、可靠、经济,缺点是保护范围运行方式的影响很大,无时限的速断保护不能保护电路的全长。为了弥补这一缺陷,常采用略带时限的速断保护,即延时速断保护。
差动保护
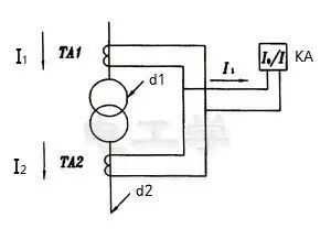
差动保护是根据被保护区域内的电流变化差额而动作的。它广泛用来保护大容量的电力变压器、变电所母线、高压电动机等。如右图所示是电力变压器的差动保护原理图。
差动保护原理图

电流互感器TA1和TA2之间的区域就是差动保护区,当保护区内发生短路故障时,即变压器内部(如dl点),电流继电器KA中将产生较大的启动电流使保护装置动作,而当保护区外短路时,即变压器外部如(d2点),电流继电器中只流过一较小的不平稳电流,保护装置不会动作。
单相接地保护
也称零序保护,它是利用接地产生的零序电流使保护装置动作,它主要借助专门的零序电流互感器作用于继电器来实现对接地故障的保护。可分为大电流接地系统的零序保护和小电流接地系统的零序保护两种,对大电流接地故障,实际上是单相短路,过电流保护虽能反应,但灵敏度较低,动作时限长,故需装设专门的接地保护,提高灵敏度。对小电流接地系统,单相接地只是一种不正常运行状态,发生这种故障按规定系统还可继续工作2小时。故这种接地保护一般只作用于信号。