离心泵指的是叶轮排出的液流基本上与泵轴垂直的面内流动的动力式泵。
离心泵的类型:

离心泵的型号表明泵的结构类型、尺寸大小和性能,但其编制方法尚未完全统一。目前,我国在泵型号中多数是用汉语拼音字母表示泵的结构类型及特征。表2给出了部分离心泵型号中字母通常所代表的意义,该表的字母基本是描述泵结构类型或结构特征的汉字拼音的靠前个字母。
表2部分离心泵型号中某些汉语拼音字母及其意义

泵型号除包含上述字母外,还用一些数字和附加的字母来表示该泵的参数和功能。不同类型泵的表示方法有所不同,较常见的表示方法有以下几种:
如进口公称直径80mm、出口公称直径65mm、叶轮名义直径125mm、叶轮外径一次切割的化工流程泵表示为IH80-65-125A。
如进口直径100mm、扬程50m、叶轮外径一次切割的单级双吸清水离心泵表示为100S50A。
如流量12m3/h、单级扬程25m、级数为6级的多级清水离心泵表示为D12-25×6。
按API分类:




离心泵的工作原理:
充满在泵中的液体随叶轮回转,产生离心力向四周甩出,在叶轮中心形成低压,液体便在液面压力作用下被吸进叶轮。从叶轮流出的液体,压力和速度增大。蜗壳-汇聚并导流。扩压管增大,流速降低,大部分动能变为压力能,然后排出。叶轮不停回转,吸排就连续地进行。
液体通过泵时所增加的能量,是原动机通过叶轮对液体作功的结果。
在雨天经常可以看到如下现象:旋转雨伞,水滴会沿着伞边切线方向飞出,旋转的雨伞给水滴一个离心力,离心力将水滴甩走,这是一个离心力能给液体增加能量的例子。
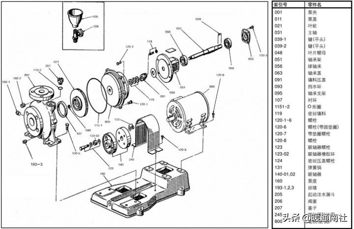
离心泵的主要零部件:


叶轮:叶轮是唯一的做功部件,泵通过叶轮对液体做功,流体的机械能增加;
叶轮型式有闭式、半开式、开式三种,闭式叶轮效率较高,开式叶轮效率较低;叶轮又可分为单侧吸人式和双侧吸人式,当流量小于300m3/h,多采用结构较简单的单吸式叶轮。

密封环:密封环的作用是形成一个可接受的间隙,控制泵的内泄漏;这种内部泄漏会降低泵的ηv,使泵的Q和H减小。
由耐磨材料组成,镶于叶轮或壳体上,根据密封环的型式,有平环和曲径环两类;
若密封环的径向间隙过小,则容易产生摩擦,甚至咬死。若间隙过大,漏泄又会显著增加。实验表明,当密封环间隙由0.30mm增至0.50mm时,效率约下降4%~4.5%;磨损后可以更换。
轴和轴承:
泵轴需要固定叶轮,安装联轴器;
泵的工作转速低于第一临界转速的轴,称为刚性轴。高于第一临界转速的轴称为柔性轴。如果把单级泵的轴设计成柔性轴时,每次开车和停车,轴都要通过第一临界转速而发生振动,这些振动会使叶轮密封环和填料函、机械密封等加速磨损、泄漏。一般刚性轴的工作转速必须满足n≤(0.75-0.8)nc,其中nc为临界转速。
根据泵的大小、轴功率、轴向力和径向力等,确定轴承配置;
轴承形式:1、减磨轴承:ndm系数(轴承尺寸模数)<500000(润滑油)或<350000(润滑脂)(mm/min)
2、液体动压轴承:能量强度np>4000000(kw/min)
3、操作温度:PT>150℃,可考虑轴承室冷却。慎用水冷。PT>260℃,轴承润滑油需冷却,建议采用可倾瓦轴承。
轴封:将泵内环境与外界环境隔离,防止泵内介质泄漏,防止泵外介质进入泵内;
一般有机械密封和填料密封两种,这两种密封都是泄漏密封;还有干气密封,也叫无泄漏密封;

离心泵常用材料:

离心泵的主要性能参数:
流量:
定义:单位时间内泵所输送的液体量,反映泵的送液能力。
常见单位(体积流量Q):m3/h、l/s,1l/s=3.6m3/h。
质量流量(多用M表示M=ρ·Q):kg/s、t/h。
泵的流量取决于泵的结构尺寸(主要为叶轮的直径与叶片的宽度)、泵壳、转速等;操作时,泵实际所能输送的液体量还与管路有关。
最小流量:泵样本上使用范围规定的最小流量,约为泵额定流量的一半,这是考虑低于该流量操作时泵效率低,长期运行不经济的缘故。当泵处于排出阀近于关闭状态的小流量下操作时,由于泵出口液体返回吸入口将吸入液体加热,会发生汽蚀或机械故障,使泵不能长期运转。选泵流量=Q正常*1.2。
扬程:
定义:单位重量液体通过泵后所增加的能量;以H表示,单位是m,即排出液体的液柱高度;
单位换算:mH2O、Mpa、kgf/cm2;
1Mpa=100mH2O=10kgf/cm2。

泵的扬程大小取决于泵的结构(如叶轮直径的大小,叶片的弯曲情况等)、转速;
注意区分离心泵的扬程(压头)和升扬高度两个不同的概念.扬程是指单位重量流体经泵后获得的能量。包括高度差、压力差、动能差、阻力损失等项)升扬高度仅指高度差一项。
绝对压力是指设备内部或某处真实压力,它等于表压力与当地大气压力之和,即P绝=P表+B
式中:P绝-绝对压力;P表-表压力;B-当地大气压力。
表压力是指设备内部或某处绝对压力,与当地大气压力之差,即P表=P绝-B。
真空度是指设备内部或某处绝对压力,与当地大气压力的差值,即P真=B-P绝;式中:P真-真空度。

效率:
效率(η):有效功率与轴功率之比,反映了泵对动力机利用的情况,η=Ne/Na。
泵内的各种损失少,效率就高,所需的轴功率就小,反之则所需轴功率就大,说明这台水泵的制造质量差、配套不合理。
损失:机械损失、水力损失、容积损失。
效率与泵的大小、类型、制造精密度和所输送介质的性质有关,铭牌上所标示的,是指在额定转速下,可达到的最高效率。
一般小型泵的效率50~70%,大型泵可达90%,油泵、耐腐蚀泵的较清水泵低,杂质泵的更低。选泵效率:±2.5%。
功率:
功率的单位为:kW。
轴功率(Na):原动机传到泵轴上的功率。
Na=(kg/m3)×Q(m3/h)×H(m)g(m2/s)/3600η
有效功率(Ne):泵单位时间传递给液体的有效能量,也称输出功率。
Ne=(kg/m3)×Q(m3/s)×H(m)/102η
对于常温清水Ne=Q(m3/h)×H(m)/367.2
电机的配套功率(N),N=K×Na。
K取1.2(18.5kW);K取1.15(18.5-55kW);
K取1.1(≥55kW);N>Na>Ne;Na=Ne/η。
驱动机的功率以以下三种运转工况所需功率的最大值来确定并包括各种机械损失功率(如轴承损失、机械密封损失、外部齿轮箱损失、联轴器损失等)。
1、泵参与水运所需功率或介质密度最大者;
2、规定的最大操作工况(最大密度介质、最大流量、最高转速、最多叶轮)所需功率;
3、如果两台并联泵组,单台泵轴功率应考虑采用功率端点值。当驱动机由电动机和液力回收透平共同承担时,所配电机应能在规定条件下单独启动整个泵组,并能单独驱动泵在规定操作条件下运行。
转速(n):
泵轴在单位内的转数,单位为r/min或rpm。
水泵是按一定的转速设计制造和运行使用的,当转速改变时,其它工作参数都随之而发生变化。转速是决定水泵性能的一个重要技术指标。
水泵铭牌上所标的转速是指水泵在最高效率时的转速,称之为额定转速。
相应标出的流量、扬程、功率等参数,都是指水泵在额定转速下运行的性能。

必须汽蚀余量NPSHr:为使泵不发生汽蚀,叶轮进口处,单位重量液体所必须具备的,超过汽化压力的富余能量。
装置汽蚀余量NPSHa:水泵装置能够提供给泵的超过汽化压力的富余能量。
不发生汽蚀的条件NPSHa>NPSHr
减小几何吸上高度hg(泵的安装高度);
减小吸入管路的水力损失(增大管径、缩短管长、减少弯头、附件等)。
减少在大流量区运行;降速;
采用双吸叶轮等;
泵的安装高度hg=Pb-NPSH-Hf-Hv-Hs
Pb对于不同海拔高度有不同的数值;
Hv对于不同的介质及温度取值不同。
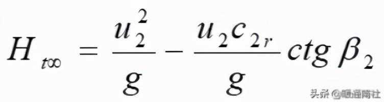
扬程公式:
α:绝对液流的液流角(绝对速度与圆周之间的夹角)
β:相对液流的液流角(相对速度与圆周之间的夹角)
V:绝对速度(相对速度与圆周速度的矢量和)
U:圆周速度(相切于圆周方向,Cu周向分速度,Cm径向分速度,U=πnD/60)
W:相对速度(相切于叶片出口方向)
Vm:轴面速度(绝对速度或相对速度的轴面投影是轴面速度)

泵内介质流速不宜超过以下限制:

泵叶轮顶尖流速不宜超过以下限制:

扬程公式:
理论扬程:Ht=(U2*Vu2-U1*Vu1)/g
如果叶轮入口处液体绝对速度的圆周分量为零,则扬程理论公式变为Ht=(U2*Vu2)/g
要提高H,必须增大D2或提高n,D2关系到泵的外廓和重量,n受限于泵的汽蚀性能,离心泵n一般不超过8000~10000r/min,单级泵的H通常不超过150m。
当用径向叶片,即β2=90时,即H与Q无关。

当用后弯叶片,即β290’时,ctgβ20,Q增大则Ht减小。
当用前弯叶片,即β290‘时,Q增大则Ht增加,表面上,以用前弯叶片为宜,实际中,考虑到各种损失,多用后弯叶片。
实际应用扬程计算公式:
H=(P2-P1)/ρ+V22-V21/2g+hf
P2:出口表压P1:入口表压ρ:介质密度;
V2:出口速度V1:入口速度hf:泵内部损失
实际工作中,利用进出口管路的口径使泵的入口速度大约在2m/s,出口速度在3m/s,这样泵的进出口动能增量很小,一般可以忽略,泵内损失也很小,也可以忽略所以,一般情况下泵的扬程公式为:
H=(P2-P1)/ρ

式中:H—泵扬程(m);
P—压差,压差等于泵出口压力表;
ρ—输送介质的密度(Kg/m3)。
Hf:泵能量损失:水力损失、容积损失、机械损失
泵的总效率为:

水力损失h和水力效率:包括沿程损失、边界层分离、冲击损失、二次流损失、其他流动损失等。

经验公式:

其中Q的单位为m3/s,n为r/min。
容积损失q和容积效率:因泄漏导致的附加功率消耗,泄漏量用q表示:

经验公式:

其中Q的单位为m3/s,n为r/min。
机械损失和机械效率:
密封摩擦损失:轴承摩擦损失(约占轴功率的1%~5%)
圆盘摩擦损失(占轴功率的2%~10%)
注*圆盘摩擦损失与直径5次方成正比,与转速3次方成正比,所以提高n和相应减小叶轮外径(H不变时)可减小圆盘摩擦损失;而填料摩擦损失与转速1此方成正比,轴承损失与转速2次方成正比。
经验公式(只记圆盘损失):

内机械效率:

泵的性能曲线:
⑴流量-扬程曲线(Q—H);
⑵流量-功率曲线(Q—N);
⑶流量-效率曲线(Q-η)。
其关系是:流量增加,扬程降低。因为密封环内部漏泄和轴封外部漏泄,多级泵还存在级间漏泄,当泵设有平衡孔(管)或平衡盘时,有附加的容积损失。总漏泄量一般为理论流量的4%~10%。

Q—H曲线为考虑了漏泄流量g后的损失;反之流量减少,则扬程增加。流量增加,功率增加。流量大,效率高。
相似理论:几何相似----两泵过流部分各相应的几何尺寸比值相等,运动相似----两泵各对应点的相应速度方向相同,比值相等。几何相似是运动相似的前提,几何相似不一定运动相似,而运动相似则必定几何相似,如果几何相似,又运动相似,即两泵工况相似。
相似定律:

切割定律:

比转数:
定义:比转数ns是从相似理论中引出的相似准数,它说明了相似泵的流量Q,扬程H,转速n间的关系。相似泵在相似工况下,比转速相等,但同一台泵在不同工况下的比转速并不相等。通常只用最佳工况点的ns来代表一系列几何相似泵。比转数ns的表达式如下:

式中:ns-比转数
Q-额定流量,m3/秒(若多级则代入Q/i级数);
H-额定扬程,m(若多级泵则代入H/i,i为级数);
n-额定转速,转/分;
一台泵在不同的工况下有不同的ns,但作为相似准则的ns是指最优工况下的值;经验证明,如果切割量不大ns<200,则切割前后相对应的工况点效率可认为是相等的。叶轮的容许切割量与比转速ns有关,最大切割量见下表:

⑴比转数不仅反映了各类相似泵性能参数之间的关系,也反映了叶轮的形状及特点,因此比转数也是对泵的叶轮分类的一个参数,也就是说利用比转数对叶轮进行分类。
⑵设计泵时,只要根据所要求的Q、H、转速n等数据,按照公式计算该泵的比转数ns,然后按照ns的大小查找同一比转数的模型泵,然后再根据模型泵的结构尺寸进行模拟设计,这样便可以设计出高效率的新泵,所以说比转数是离心泵设计计算的基础。
⑶比转数是编制离心泵的系列基础,如果以比转数编制离心泵系列,就可以大大减少水力模型数目,对设计部门来说,节省人力物力。
*汽蚀比转数:

Δhmin-泵的最小汽蚀余量,m;
比转数ns是泵的相似判别数,即是如果一系列大小不等但几何相似的泵,如它们的工况也相似,则它们的比转数均相等。但是,二泵的比转数相等,则这二泵可能是几何相似的,也可能几何不相似。例如比转数为500的泵,可以设计成混流泵,也可以设计成轴流泵。不过,一般地讲,ns相等的泵,即使其形状不几何相似,也应当大致相同。设计时可以参考。各种泵的比转数公式分别列于下面:
单级单吸式水泵的比转数:ns=(3.65n√Q)/H(3/4)
单级双吸式水泵的比转数:ns=(3.65n√Q/2)/H(3/4)
多级泵(级数i)的比转数:ns=(3.65n√Q)i(3/4)/H(3/4)
多级泵的第一级叶轮为双吸式的,则其第一级的比转数ns=(3.65n√Q/2)i(3/4)/H(3/4)
从公式可以看出,用不同的工况点代入公式,可以得到不同的比转数,因此,我们用泵的最佳工况点(即是效率最高的工况点,不是设计工况点)的流量、扬程及转速计算出来的比转数作为泵的比转数,故一个泵只有一个比转数。
离心泵的主要性能参数:

汽蚀:
汽蚀的定义:当液体的压力P≤Ps(输送温度下液体的饱和蒸汽压)时,输送液体会汽化,产生大量的汽泡,汽泡在四周较高压力的作用下,便会重新凝结溃灭。汽泡凝结后形成一个空穴,周围的高压液体便迅速填补空穴,形成冲击,损坏叶轮等部件。
汽蚀现象又称空蚀现象、空泡现象,它是水力机械以及某些与液体有关的机器中特有的现象。
因为汽蚀的结果是对水力机械流道金属表面的破坏,而这种破坏与液体汽化成气泡,气泡再凝结成液体的过程相连接在一起,因此,我们称它为汽蚀或汽蚀现象。
*泵的设计温度应在操作温度上加28℃。所以操作温度在150℃以下的单双级泵和操作温度低于93℃的多级泵,都应适应从常温瞬间升至最高操作温度的启动方法。如需暖泵,厂家应提供暖泵设施及升温曲线。
汽蚀产生的机理:
离心泵的吸入动力是靠吸入液面上压力与叶轮甩出液体后形成的低压差。叶轮入口处压力越来越低,则吸入能力越大,但若低于饱和蒸汽压则出现汽泡,原来溶于液体中的气体也逸出,这些小汽泡随气流流到叶轮内高压区时,在周围液体较高压力作用下,便会重新凝结,体积缩小,好似形成一个空穴,这时周围液体又以极高速度向空穴冲来,产生很高的局部压力,连续击打叶轮表面,这种高速、高压的水力冲击(其打击压力可以达到几千个大气压,打击的频率也很高,每秒可达2~3万次),叶片表面便因疲劳而剥蚀呈现麻点,蜂窝海绵状。这种汽化-凝结-冲击-剥蚀现象,就称为汽蚀现象。
如果液体中不含任何杂质,即使在压力很低时也不会发生汽蚀;国外的汽蚀研究者通过试验认为,超高纯水的抗拉强度(即产生空穴的极限)远远超过通常的金属材料的抗拉强度。但通常的液体中总是含气体或固体,这些杂质成为汽蚀核子,在一定条件下诱发空穴的发生;含砂水流由于水与砂的比重不同,砂粒运动轨迹与流线脱离,可能会加速汽蚀的发生。
汽蚀产生的机理:

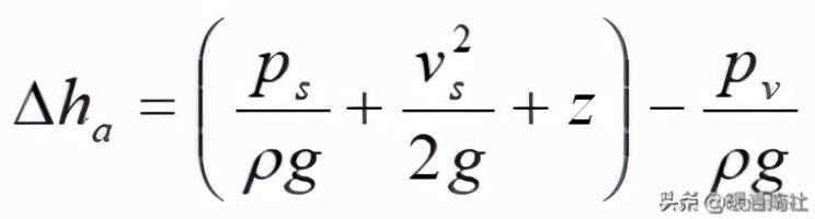
现场泵不发生汽蚀的条件,NPSHa>NPSHr
NPSH代表汽蚀余量,分为有效NPSHa(△ha)和必须NPSHr(△hr)两种。
所谓有效的NPSH实际上和泵的汽蚀性能的好坏无关,决于泵的吸人条件和液体的P。是指泵装置能够向泵提供的单位重量液体的超出汽化压强部分的能量,以NPSHa(△ha)表示。式中:z-泵吸人口位置头,Ps-泵吸人口绝对压力,Pa;Vs-泵吸人口流速,m/s。

所谓必需的NPSH,与泵的吸人条件及所吸液体的Pv值无关,而与泵的汽蚀性能的好坏有关,也就是说与泵的叶轮的吸入几何形状有关,以NPSHr表示,NPSH,越小表明泵的汽蚀性能越好。
要求NPSHa-NPSHr≥15%NPSHa或1m。
汽蚀产生时的现象:
A、噪声和振动;
B、过流部件表面的材料破坏;
C、运转性能下降;
(因空泡堵塞,流量、扬程和效率均出现断裂现象)
发生汽蚀现象的原因:
A、吸入罐液面下降或灌注高度不够;B、大气压力低;C、系统内压力降低;D、介质浓度升高,饱和蒸汽压变大,介质容易汽化;E、流体流速增加,阻力损失加大;F、吸入管路阻力大,这一点主要取决于泵的结构和管路安装是否合理;G、吸入管漏气。
克服及减轻汽蚀破坏的方法:
1.提高装置的△ha
尽可能减小吸人管路的阻力;减小吸上高度或增大流注高度;控制液体温度不要过高。
2.减小泵的△hr
在设计时尽量改进叶轮人口处的几何形状
加大叶轮的进口直径和叶片进口边的宽度
增大叶轮前盖板转弯处的曲率半径
采用扭曲叶片或双吸叶轮等
在泵的进口加设诱导轮
3.采用强度和硬度高、韧性和化学稳定性好的抗汽蚀材料来制造叶轮,以及提高通流部分表面的光洁度,也是提高泵抗汽蚀性能的有效措施。
离心泵的轴向力:
轴向力产生的原因:离心泵运转时,在其转子上产生一个很大的与泵轴平行的作用力,即轴向力。原因如下:
a.叶轮前后盖板不对称产生的轴向力A1,指向吸入口;
b.动反力A2,指向叶轮后面;
c.轴台、轴端等结构因素引起的轴向力A2,方向不定;
d.立式泵的转子重量;
e.其他因数。

平衡孔:
一般低扬程泵的轴向力不大,但是随着扬程的增加,泵的轴向力很可能增大到超过轴承的承受范围,这时候需要采取平衡轴向力的结构,最常见的轴向力平衡方法是采用平衡孔。定子和转子间间隙得控制,和平衡孔一起减少后盖板相应部位的压力。

轴向力的平衡:
背叶片,在叶轮后盖板设计背叶片。在背叶片的作用下,液体沿图示箭头方向运动,这样可以减少叶轮后盖板上向叶轮进口方向的压力。

叶轮背对背布置:
每个叶轮产生的不平衡力一般指向叶轮吸入端;这是因为叶轮后盖板的受力面积大于叶轮前盖板;Force=Pressure×Area。
“叶轮背对背布置”设计能够有效地平衡掉轴向力,当叶轮为奇数时,未平衡掉的轴向力由相应的推力轴承承受。

平衡鼔结构:单个叶轮产生的轴向力指向叶轮进口。对于叶轮串联布置的泵,所有叶轮产生的轴向力指向一个方向。这种情况下可以采用平衡鼔结构,一般而言平衡鼔结构能够平衡掉85%的轴向力,剩余的有推力轴承来承受。平衡鼔设计允许泵在130%的最佳效率点工作。

平衡盘结构:单个叶轮产生的轴向力指向叶轮进口。对于叶轮串联布置的泵,所有叶轮产生的轴向力指向一个方向。这种情况下可以采用平衡盘结构,一般而言平衡盘结构能够自动平衡,平衡掉所有的轴向力。平衡盘设计允许泵在120%的最佳效率点工作,轴由径向轴承支撑(不需要轴向推力轴承)。

径向力产生的原因:
当泵的实际流量不等于设计流量时即会产生水力径向力,卧式泵转子重量,转子不平衡产生的径向力。

径向力的计算:
经验公式计算:

经验系数:

离心泵的安装:
好的工艺和充分的准备可以使安装快速、简单和准确。必须保证安全运行条件,准备装配时,下面几方面的说明是必要的:
主要尺寸、联接、紧固螺栓的位置等,都在图纸或安装工艺上得以体现;
应当有适当的起吊设备、良好的照明设备和可移动的电源插座;应该从任意侧都可以容易接近泵;
泵的基础和安装方式应该通过设计确定,这样泵在运行和停止时振动总是保持在最小值,否则泵的寿命将减少;
必须提供排水沟,这样密封泄漏、冷却水(开式系统)和大修期间从泵体排除的介质能够被引走;
注意:泵排出的介质要特殊处理,泵输送有毒、易燃易爆、高温或有其它任何危险的介质的泄漏,不应对操作人员和环境造成任何危害;
泵法兰和所有敞开接口,在管路安装之前,都必须用塑料塞堵或盲板保护;
粗糙和干净的基础或其它任何必要的建筑工作必须完何形状有关成,并且是牢固和干燥的;所有为安装所做的初步工作必须全部完成。
泵和电机的安装:
用泵和电机分离的底座,要先安装泵,然后调整电机,粗糙的基础:灌浆孔的孔壁必须有粗糙的表面并且不能有污染,去掉已经松动的颗粒、灰尘或浸过油的混凝土,所有底座将要与水泥浆接触的表面必须是清洁的,去掉铁锈、涂料或其它附属的材料;
把钢缆吊环挂在底座的吊孔上,同时将泵和电机一起提起,将地脚螺栓放进底座的地脚螺栓孔并且将地脚螺栓螺母预拧上;
小心地将底座放到基础位置上,地脚螺栓必须放到基础上的地脚螺栓孔内所有敞开接口,在管路安装之前,都必须用塑料塞堵或盲板保护;
用泵和电机分离的底座,要先安装泵,然后调整电机。
泵和电机的水平调整:
用不同厚度的薄垫片将泵的水平找正;三个支撑点足以满足底座的长度,三个支撑点可分别设在电机端的左右两侧和泵端处的另一个短边;
注意:用气泡水准仪(水平仪)检查泵轴线方向和垂直于轴线方向的法兰的水平,这些法兰必须是垂直或平行于水平方向,(见下图),最大允许的变化量为0.5mm至1mm。

泵和电机的水平调整:

地脚螺栓孔的灌浆装:
先将基础上的预埋孔弄湿,用混凝土充满预埋孔,这样混凝土容易与基础成为一体,在填充混凝土时有必要震动地脚螺栓。
将钢的垫片推入地脚螺栓左右两侧已溢出的混凝土中垫片必须足够厚,以使得底座与垫片之间没有或只有很小的间隙。
底座与被灌浆的垫片之间的空隙必须用不同厚度的平的金属薄垫片来填充。
紧固地脚螺栓并且再次检查水平,如果泵的位置有变化,要调整水平。
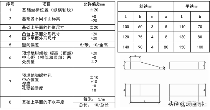
注意:不要使底座弯曲或有其它变形,因为这样将引起机组在运行期间振动和噪音的增加。斜铁与平铁配合使用,即斜1平1。承受主要负荷的垫铁组应使用成对斜垫铁找平后,用电焊焊牢。每一组垫铁应尽量减少垫铁块数,一般不超过4块,并少用薄垫铁。放置平垫时,最厚的放在下面,薄的放在中间,并将各垫铁焊牢。
完成灌浆(完全找正后)
注意:向基础内灌浆的设备在安装中是很重要的;如果灌浆材料的质量很差,很多问题将在机组运行的早期或几个月后显露出来;
在基础的四周建一个挡圈,挡圈必须有足以抵挡灌浆压力的强度,在挡圈的内侧固定上一有斜边的条,这样能在高出的水泥浆上流下一条整洁的成斜角的边。

完成符合安装工艺的底座灌浆,用细小的混凝土通过灌浆孔填充底座,底座应完全被混凝土充满,对混凝土震动是必要的;
注意:在最初的48小时混凝土既不能过于干燥,也不能冻结。这期间基础的温度不应低于1℃,最适宜的温度是20℃±10℃。如果必要:用灌浆孔盖盖上灌浆孔。
联轴器的校正:
注意:在泵和电机被联接在一起之前,校正联轴器,并根据泵上的转向箭头检查电机的转动方向;挠性联轴器需要通过在(轴承架、驱动机)支脚下放薄垫片来仔细的校正轴心线。在特殊的场合,联轴器的安装和校正必须按照联轴器制造商所提供的说明书进行;例如联轴节之间的规定间距等。
无加长段联轴器的校正:可用一根精密的直尺靠在联轴器外缘任意几点的纬线上观察与轴的平行程度,并用厚塞规在几个对应位置上控制规定的两个联轴节间的距离;
用测量表的校正:如果要求更精确的校正(在转速>3600rpm或有加长段的情况下),校正应用千分表在径向和轴向进行(见图)。
用光学仪器的调整:光学(激光)仪器调整是轴心调整最准确的方法,它是把能发射激光的电子组件固定在联轴器的一端,另一端固定一个折光物体,转动转子时轴的偏移。

联轴器的校正:
左下图左:打表形式:在使用温度较高(大约大于130℃)较低(),应在泵运转时的高(低)温条件下进行最终校正或按厂商、图纸要求进行校正。

上图右:四种不同心形式:
⑴两轴不同心,两轴不平行;
⑵两轴同心,两轴不平行;
⑶两轴不同心,两轴平行;
⑷两轴同心,两轴平行。

进出口管线的安装:
管的直径在设计阶段已经确定,泵制造商把很多未知的因素已经考虑进去;
通常吸入管路中介质的流速不超过2m/s,吐出管路中介质的流速不超过3m/s;
一般泵吸入管路法兰的公称直径大于(或等于)泵吐出管路法兰的公称直径;
注意:泵停车后一种可能的循环危险容易发生,尤其是出现“水锤现象”,这样不得不在管路上设置防止回流的装置(逆止阀)。
管路必须有足够的支撑,以确保不能因为管路的自身重量或由泵法兰传递过来的热量所引起热膨胀而使管路产生弯曲力矩或压力(可以安装一膨胀节),管路法兰必须与泵法兰平行;
为避免产生气囊,倒灌时,吸入管路逐渐降低,到泵入口法兰时最低;吸上时,吸入管路逐渐上升,到泵入口法兰时最高;
变径管路的设计应不妨碍流体的自由流动,从小管径到大管径应该是逐渐的变化过程,同心锥管(变径管路)的长度一般是管两端管径差的5~7倍;
为不使管路堵塞,法兰连接处所用的垫圈应该正确放置;
应该避免管的横截面积突然减小或管路弯头的阻力,尤其在吸入端不应该出现此类变化,因为这些变化大大增加了管路的摩擦阻力;
吸入端高的摩擦阻力将使泵入口压力减小,太低的压力将导致叶轮入口处产生汽蚀;
在安装几台泵的情况下,除备用泵外每台泵必须提供单独的吸入管路;备用泵与对应的泵可用一根共同的吸入管,这是因为在使用过程中始终是一台泵在运行;
在泵开车前,必须认真清洗管路系统中的所有污物和杂质,管路焊接处的焊渣等杂物必须被清除;
水压试验—管路应该按照规范要求做水压试验;
注意:装置应该使用相同名义直径的管路;如果泵的进出口管的名义直径小于装置的名义直径,应该配用适当的锥管(变径管);吸入管路上的截止阀不应离泵入口太近,以避免介质以紊流的方式进入泵腔;为避免气囊的产生,安装截止阀时截止阀的手轮应处于水平或垂直向下位置。
辅助管线的安装:
为泵体残液可以通过一根管引到底座上的集残液盘或一收集管中;排残液管路上必须配置一个公称压力不小于泵额定压力的阀门。泵送有毒、易燃易爆、过热或有其它任何危险介质的排残液不应该对操作人员和环境产生任何危险;
密封的泄漏液也能通过一根管引到底座上的集残液盘或一收集管中,危险介质的泄漏必须被排走或急冷冲掉,这样可以对操作人员和环境不产生任何危险;
在布置图或独立的冷却水系统图表中将指出需要的冷却(冷却水管应该按照从冷却腔的最低点进入和从冷却腔的最高点出),不要混淆进、出口管线,为调节冷却水量应在进口管上安装流量调节阀,在开式系统中排出的冷却水引到排放渠中;
在布置图或独立的密封冲洗和(或)冷却水系统图将指出需要的冲洗和(或)冷却;必要时要连接换热器,压力源或在最高点设有排气孔的密封液罐;如果需要虹吸,那么要用直径尽可能大的管子,管路必须是连续的并且不能突然弯曲;
急冷:如果需要对机械密封进行急冷,详见急冷介质和急冷液流量的选择。
离心泵的运行与维护:
润滑的维护:离心泵经常由于连续的运行和很大的轴向或径向力而受到的高的压力作用,因此适当的润滑油量是保证轴承长寿命和无故障运行的前提;润滑油不能含有酸性物质或树脂等杂质;
润滑油的粘度:轴承在运行过程中自身发热将对润滑油的粘度变化起重要的作用,粘度将直接影响到润滑性能;为保证轴承具有良好的润滑条件,要求在轴承的使用温度范围内润滑油的运动粘度至少为12mm2/s,一般按下表选取:

正常运转的最大允许温度:

应定期检查测量点的温度,且按规定定期更换润滑。
恒位油杯加注润滑油:先通过轴承箱上的加油孔填充润滑油,直到恒位油杯的支管开始充满油为止,再用同种润滑油填充恒位油杯(如下图所示),然后扣上恒位油杯,重复进行上述填充恒位油杯和扣上恒位油杯,直到润滑油充满恒位油杯的2/3为止(如下图所示)。在正常使用过程中要经常检查恒位油杯的供油情况,发现油位下降要立即补充润滑油。若恒位油杯自身密封失效漏油,则要及时更换恒位油杯。

润滑的维护:恒位油杯的工作原理是恒位油杯的上的斜口、油位、视油窗和轴承磙子中心在一个面内,一旦油消耗,油位降低,油杯自动补油到封住斜口为止。轴承箱体上油杯口钻的位置较高,这样油位注到视窗中间位置的话,油位就会偏高,轴承转动后带起大量的油抛到轴承压盖上,导致回油不充分,有油从轴向
漏出。压盖上的油封的密封件密封性不好,轴承压盖内孔加工尺寸超差也会导致漏油。当转速n>3000r/min时,油位应在轴承最下部滚动体中心以下,但不低于滚动体下缘;当n=1500-3000r/min时,油位应在轴承体最下部滚动体中心以上,当不得浸没滚动体上缘;当n<1500r/min时,油位应在轴承最下部滚动体上缘或浸没滚动体。
离心泵的启动:
用润滑油油冲洗轴承架腔体并擦净,填充润滑油;
检查校正情况,安装联轴器罩;检查轴封;
泵的灌注—倒灌:打开入口管线的截止阀;如果有(见安装工艺)排气孔应该打开(泵体设排气孔是不正确的);用机械密封时密封腔应该设排气孔(见冲洗和密封);缓慢的转动叶轮;当泵送介质没有气泡时关闭排气阀。
泵的灌注—吸上:打开入口管线的截止阀,如果有(见安装工艺)排气孔应该打开(泵体设排气孔是不正确的),用机械密封时密封腔应该设排气孔(见冲洗和密封),向泵灌注(吸入管必须设底阀),缓慢的转动叶轮当泵送介质没有气泡时关闭排气阀。
泵被灌满后,通过瞬时接通电机电源来检查旋转方向和运转是否平稳(见轴承架上旋转箭头的方向),是否安装、打开、关闭最小流量控制管路上的阀。
使辅助设备处于运行中(如:密封压力源),打开辅助管路上的阀,排气压力表,压力表、温度表等;
启动无压系统:关闭出口管路截止阀(必须保证最小流量);盘车正常(检查是否有卡阻、过紧、松紧不均或异常声响,使滑油进入各润滑部位,发现异常现象,必须予以排除,然后才能起动)。
启动电机;缓慢打开出口阀,直到压差减小到数据表中所给出的值;启动压力系统(出口阀是前提条件);
启动电机并打开出口阀;
注意:最大启动频率为12次/小时,高压电机不少于30min;压差不能低于设计点,泵出口压力表值等于压差加上入口压力表值,也不能在系统中引起性能参数的波动,注意满负荷时电流表上的读数,保证电流不超过电机铭牌上的值;因为过载而引起的严重机械损伤将导致零部件的损坏;轴承温度、振动正常。
离心泵带负荷后应符合下列要求:
⑴滑动轴承温度不大于65℃,滚动轴承温度不大于70℃;
⑵轴承振动应<且≯50.8μm,式中Nmax为泵工作转速r/min,这属于A区优良状态上限值,轴振动在B区为合格状态,其值为A区上限值的1.6-2.5倍为合格,工作转速高的取下限值,工作转速低的取上限值。
⑶运转平稳,无杂音,封油、冷却水、润滑油系统工作正常,附属管线无滴漏;
⑷电流不超过额定值;
⑸流量、压力平稳,达到铭牌出力的90%以上或生产需要;
⑹密封渗漏不超过下列要求:机械密封:轻质油-10滴/分;重质油-5滴/分;
软填料密封:轻质油-20滴/分;重质油-10滴/分;
热油泵与冷油泵如何启停:
⑴以温度来区别,200℃以下为冷油泵,以上为热油泵;
⑵以封油来区别,一般的热油泵都打封油,而冷油泵不用,热油泵引封油前必须充分脱水;
⑶以材质来区别,热油泵以碳钢、合金钢为材料,而冷油泵用铸铁即可;
⑷以预热来区别,热油泵需要预热,而冷油泵不需要;
热油泵为什么要预热?
⑴温度高:如不预热,泵体冷,热油进入后,因冷热温差大,会使泵经受不住这剧烈的变化,引起泄漏、裂缝、部件损坏和零件因热膨胀系数不一样,而使两个零件胀住等等。
⑵粘度大:热油泵输送介质粘度都很大,在常温和低温下会凝固,甚至会把泵体管线凝结,而造成启动不上量,流量、扬程小,并使泵产生振动和杂音。
离心泵的停机:
如果出口管路上安装有逆止阀或者是短时期停车,出口阀能够继续开着;当长期停车、维修或没有设置逆止阀时,必须关闭出口管路上的阀;闭排出阀运转时功率最低但泵封闭运转的时间不能过长(液体发热)
停止电机,同时注意转子是否是平稳、缓慢的停止;
如果泵处于吸上同时没有为启动做好准备的情况下,必须关闭入口管路上的阀;
如果存在急冷管路,那么冷却管路也应该关闭;
关闭辅助管路上的阀门,但冷却水阀应在泵冷却后再关闭;
在有冻结危险或长期停车的情况下,必须排净泵体及冷却腔和机械密封中的液体,如果必要可使用其它一些保护措施振动正常。
离心泵的装置特性曲线和运转工况:
装置特性曲线就是装置扬程与管路中的流量的关系曲线;
水泵运转工况点,装置特性曲线与泵特性曲线同画在一个Q-H坐标平面内,此两线相交于M点,则M点既是水泵运转时的工况点又是装置的特性点,在这一点,水泵扬程等于装置扬程,这时候单位重量的液体流过水泵时从水泵处得到的能量为H,正好把单位重量的液体从吸水池表面移到压水池表面所需花费的能量也是H,于是能量平衡;

影响该工况点的原因有:

如何对泵的工况点调节:泵的操作调节实质上是改变工作点。通常可以采用改变管路系统性能,泵性能的方法来达到。在确定工况时,应尽可能使工作点处于泵的高效率范围内,以提高运转的经济性,其调节方法如下:
⑴改变管路系统特性
a、改变排出侧流量调节阀开度。如关小阀门时,管路曲线H0A变到H0B,流量由QA减少到QB,节流调节简便易行,应用普遍,但泵的效率从ηA减少到ηB,因此该方法并不经济。
b、减小吸人阀开度也能实现节流调节,但使泵吸人压力降低,可能产生气穴现象,甚至失吸故应慎用。
C、利用旁路的调节方法。开启旁路阀门时,一部分流体从排出管返回吸入管,泵出口流量变大,经济性很差。不回吸入管-过热。

⑵改变泵特性
a、改变泵的转速,泵流量和扬程均随泵的转速而改变,如泵用汽轮机驱动,可采用。
b、改变叶轮直径,切割叶轮,这种方法只适用于离心泵长期改变流量时使用。
c、改变叶轮级数,如减少叶轮数,降低扬程。
d、堵塞叶轮部分入口,用以减少流量。
e、串并联工作。

离心泵的操作:
离心泵的串联工况:
串联安装方式是将一台泵的出口直接连到第二台泵的入口,这两台泵具有相同的流量,总压力为两台泵的压力相加;
这种安装方式一般用在大泵的汽蚀无法满足现场使用需要的时候,通过一个小泵给主泵入口增压来达到为主泵提高装置汽蚀余量的目的;
注意:这两台泵必须要满足可以运行在相同的流量点;只有满足这一条件,这两台泵的扬程才能叠加。


如果是多台泵运行在不同的系统,他们的流量不同,不能认为是串联;
如果一台泵将介质打到一个系统,另外一台泵从这个系统打到下一个系统,这种情况也不能认为是串联运行。
串联泵的启动过程:启动增压泵,然后启动主泵,通过主管路上的阀门控制流量,这种安装方式在实际应用中很少使用,一般都使用一台大泵代替,除非无法选到合适的大泵。这种安装方式要求工作流量必须在两台泵的允许工作区内。
离心泵的并联工况:
多台泵平行并列在一个系统,是为了获得相同压力的同时,满足大流量的需要;
多台泵并联可以实现根据工艺需要开停不同数量的泵行。
这种安装方式泵的入口压力和出口压力均相同。每台泵将运行在相同的扬程,总流量等于各泵流量的和。要求两台泵的扬程要相差较小。不然,扬程低的泵会工作在小流量,甚至不工作,造成损坏。由于系统阻力曲线的影响,合成曲线与系统曲线的交点扬程情况下,各泵的运行流量都比单台时的流量小,见性能曲线。


对于所有应用场合,泵最好具有到流量关死点为止连续上升的扬程曲线,在并联时必须提供这样的稳定型性能曲线,且扬程上升量应为其额定点扬程的10~20%;对于多级泵可以减少上升量,同时,并联操作的泵应具有相同的到截止点为止的扬程上升量,性能偏差不大于±1%(现在可以±3%)。
关死点压力:1.1倍*(入口+出口);
避免高能头泵:单个叶轮扬程不能太高;
高能级泵(单级扬程>200m,功率>225kw);
OH2泵,n=3000或更高,Dmax应在380mm以内,不排除n=1500rpm,Dmax<600mm的泵。
离心泵的故障处理:
离心泵运转过程中的主要故障分为腐蚀和磨损、机械故障、性能故障和轴封故障四类,这四类故障往往相互影响,难以分开,如叶轮的磨损和腐蚀会引起性能故障、机械故障,轴封的损坏会引起性能故障和机械故障。
腐蚀和磨损:
腐蚀的主要原因是选材不当,发生腐蚀故障时应从介质和材料两方面入手解决;
磨损常发生在输送浆料时,主要原因是介质中含有固体颗粒;
对输送浆液的泵,除泵的过流部件应采用耐磨材料外,轴封应采用清洁液体冲洗以免杂质侵入,并在泵内采用冲洗设施以免流道堵塞;
此外,对于易损件在磨损时应予更换。
振动和噪声是主要的机械故障表现形式:
振动的主要原因是:
a.轴承损坏或出现汽蚀和装配不良;
b.转子因腐蚀和磨蚀造成不平衡;
c.泵与原动机不同轴;
d.基础刚度不够或基础下沉;
e.进出口管路不对中或法兰面不平行等;
f.工艺、操作原因造成;(如)
性能故障主要指流量、扬程不足,泵汽蚀和驱动机超载等意外事故。
离心泵的轴封故障:
轴封故障主要指密封处出现泄漏;填料密封泄漏主要原因是填料选择不当,轴套磨损等。
机械密封泄漏的主要原因是端面损坏或辅助密封圈划伤或折皱等;
离心泵的常见故障处理:



离心泵泵在检修中常遇到的问题和处理方法:
⑴轴弯曲
原因:①转子不平衡;②对中不良;③装卸零部件时强拧;④长期抽空运转。
处理方法:①矫直;②更换。
⑵轴颈磨损
原因:①对中不良;②振动。
处理方法:①镀铬;②更换。
⑶叶轮腐蚀
原因:①介质腐蚀;②液流冲刷;③泵抽空汽蚀。
处理方法:①补焊;②更换选用耐腐蚀叶轮。
⑷口环磨损
原因:①对中不良;②轴窜动。
处理方法:更换。
⑸轴承抱轴
原因:①润滑油欠缺;②润滑油不干净;③轴瓦常见抱轴原因是间隙不当;④轴承、轴瓦质量不好。
处理方法:更换
⑹机械密封失效
原因:①安装歪斜;②弹簧压缩量不当;③轴振动;④冲洗冷却系统失灵;⑤泵抽空,静环不归位;⑥密封圈损坏。
处理方法:更新调整或更换。