蜂鸣器是一种一体化结构的电子讯响器,采用直流电压供电,广泛应用于计算机、打印机、复印机、报警器、电子玩具、汽车电子设备、电话机、定时器等电子产品中作发声器件。蜂鸣器主要分为压电式蜂鸣器和电磁式蜂鸣器两种类型。

蜂鸣器在电路中用字母“H”或“HA”(旧标准用“FM”、“ZZG”、“LB”、“JD”等)表示。
蜂鸣器不响的原因

蜂鸣器是电路设计中常用的器件,广泛用于工业控制、机房监控、门禁控制、计算机等电子产品,作为预警发声器件。然而很多人在设计时往往随意设计,导致实际电路中蜂鸣器不发声、轻微发声和乱发声的情况发生。
蜂鸣器常见故障及分析
蜂鸣器在使用过程中出现的不良情形通常有以下几种:
1、蜂鸣器没有安装前就不响,这是属蜂鸣器本身质量不行
2、蜂鸣器焊接后出现无音或时响时不响,这种情形可能是焊接过程中使用的烙铁功率过大(建议用20-30W的烙铁)或时间过长(建议3秒内完成一个焊点)导致蜂鸣器的针脚与线圈的焊接点受热熔化后虚焊。
3、焊接后蜂鸣器鸣叫过程中出小声、无音或沙音变调,这种情形可能是启动蜂鸣器的电流过小或过大(蜂鸣器正常工作电流20-30mA)导致蜂鸣器不能正常鸣叫。
4、蜂鸣器使用一段时间后出现变音或无音,这种情形可能是蜂鸣器的连续鸣叫时间过长(蜂鸣器连续鸣叫时间不能超过8-10小时,否则会变音或烧坏)或是蜂鸣器受环境影响。
5、蜂鸣器焊接后在电线板上工作时就出现变调或无音但拆下来用直流稳压电源测试则没有问题,这种情形可能是蜂鸣器受到干扰。
蜂鸣器电路分析
下面从开发套件入手,就3.3VNPN三极管驱动有源蜂鸣器设计,从实际产品中分析电路设计存在的问题,提出电路的改进方案,学会分析和改进电路的方法,从而设计出更优秀的产品,达到抛砖引玉的效果。

上图为典型的错误接法,当BUZZER端输入高电平时蜂鸣器不响或响声太小。当I/O口为高电平时,基极电压为3.3/4.7*3.3V≈2.3V,由于三极管的压降0.6~0.7V,则三极管射极电压为2.3-0.7=1.6V,驱动电压太低导致蜂鸣器无法驱动或者响声很小。

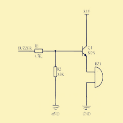
上图为第二种典型的错误接法,由于上拉电阻R2,BUZZER端在输出低电平时,由于电阻R1和R2的分压作用,三极管不能可靠关断。

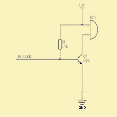
上图为第三种错误接法,三极管的高电平门槛电压就只有0.7V,即在BUZZER端输入电压只要超过0.7V就有可能使三极管导通,显然0.7V的门槛电压对于数字电路来说太低了,在电磁干扰的环境下,很容易造成蜂鸣器鸣叫。

上图为第四种错误接法,当CPU的GPIO管脚存在内部下拉时,由于I/O口存在输入阻抗,也可能导致三极管不能可靠关断,而且和第三种一样BUZZER端输入电压只要超过0.7V就有可能使三极管导通。

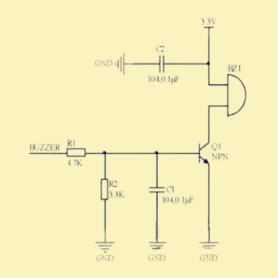
上图为通用有源蜂鸣器的NPN三极管控制有源蜂鸣器常规设计驱动电路。电阻R1为限流电阻,防止流过基极电流过大损坏三极管。电阻R2有着重要的作用,第一个作用,R2相当于基极的下拉电阻,如果输入端悬空则由于R2的存在能够使三极管保持在可靠的关断状态,如果删除R2则当BUZZER输入端悬空时则易受到干扰而可能导致三极管状态发生意外翻转或进入不期望的放大状态,造成蜂鸣器意外发声。第二个作用,R2可提升高电平的门槛电压。如果删除R2,则三极管的高电平门槛电压就只有0.7V,即A端输入电压只要超过0.7V就有可能导通,添加R2的情况就不同了,当从A端输入电压达到约2.2V时三极管才会饱和导通,中的C2为电源滤波电容,滤除电源高频杂波。C1可以在有强干扰环境下,有效的滤除干扰信号,避免蜂鸣器变音和意外发声。在RFID射频通讯、Mifare卡的应用中,这里初步选用0.1uF的电容,具体可以根据实际情况选择。