概述
PLC的数字量输入接口并不复杂,PLC为了提高抗干扰能力,输入接口都采用光电耦合器来隔离输入信号与内部处理电路的传输。因此,输入端的信号只是驱动光电耦合器的内部LED导通,被光电耦合器的光电管接收,即可使外部输入信号可靠传输。

目前PLC数字量输入端口一般分单端共点与双端输入,由于有区别,用户在选配外部传感器时接法上需要一定的区分与了解才能正确使用传感器与PLC为后期的编程工作和系统稳定奠定基础。

输入电路的形式
1、输入类型的分类
PLC的数字量输入端子,按电源分直流与交流,按输入接口分类由单端共点输入与双端输入,单端共点接电源正极为SINK(sinkCurrent拉电流),单端共点接电源负极为SRCE(sourceCurrent灌电流)。

2、词语的概述
SINK漏型为电流从输入端流出,那么输入端与电源负极相连即可,说明接口内部的光电耦合器为单端共点为电源正极,可接NPN型传感器。
SOURCE源型为电流从输入端流进,那么输入端与电源正极相连即可,说明接口内部的光电耦合器为单端共点为电源负极,可接PNP型传感器。
接近开关与光电开关三、四线输出分NPN与PNP输出,对于无检测信号时NPN的接近开关与光电开关输出为高电平(对内部有上拉电阻而言),当有检测信号,内部NPN管导通,开关输出为低电平。
对于无检测信号时PNP的接近开关与光电开关输出为低电平(对内部有下拉电阻而言),当有检测信号,内部PNP管导通,开关输出为高电平。

以上的情况只是针对传感器是属于常开的状态下。
3、按电源配置类型
(1)直流输入电路
如图1,直流输入电路要求外部输入信号的元件为无源的干接点或直流有源的无触点开关接点,当外部输入元件与电源正极导通,电流通过R1,光电耦合器内部LED,VD1(接口指示)到COM端形成回路,光电耦合器内部接收管接受外部元件导通的信号,传输到内部处理;这种由直流电提供电源的接口方式,叫直流输入电路;
直流电可以由PLC内部提供也可以外接直流电源提供给外部输入信号的元件。R2在电路中的作用是旁路光电耦合器内部LED的电流,保证光电耦合器LED不被两线制接近开关的静态泄漏电流导通。

(2)交流输入电路
如图2,交流输入电路要求外部输入信号的元件为无源的干接点或交流有源的无触点开关接点,它与直流接口的区分在光电耦合器前加一级降压电路与桥整流电路。外部元件与交流电接通后,电流通过R1,C2经过桥整流,变成降压后的直流电,后续电路的原理与直流的一致。
交流PLC主要适用相对环境恶劣,布线技改变动不大等场合;如接近开关就用交流两线直接替代原来行程开关。

4、按端口类型
(1)单端共点(Comcon)数字量输入方式
为了节省输入端子,单端共点输入的结构是在PLC内部将所有输入电路(光电耦合器)的一端连接在一起接到标示为COM的内部公共端子,各输入电路的另一端才接到其对应的输入端子X0、X1、X2、.
com共点与N个单端输入就可以做N个数字量的输入(N+1个端子),因此我们称此结构为"单端共点"输入。用户在做外部数字量输入组件的接线时也需要同样的做法,需要将所有输入组件的一端连接在一起,叫输入组件的的外部共线;输入组件的另一端才接到PLC的输入端子X0、X1、X2、.
SINK输入方式,可接NPN型传感器,即X端口与负极相连。
SRCE输入方式,可接PNP型传感器。即X端口与整机极相连。(外部输入组件可以为按钮开关、行程开关、舌簧开关、霍尔开关、接近开关、光电开关、光幕传感器、继电器触点、接触器触电等开关量的元件。)
(2)SINK(sinkCurrent拉电流)输入方式
●单端共点SINK输入接线(内部共点端子COM→24V+,外部共线→24V-)。如图3:

(3)SRCE(sourceCurrent灌电流)输入方式
●单端共点SRCE输入接线(内部共点端子COM→24V-,外部共线→24V+)。如图4:

(4)SINK/SRCE可切换输入方式
S/S端子与COM端不同的是,COM是与内部电源正极或负极固定相连,S/S端子是非固定相连的,根据需要才与内部电源或外部电源的正极或者负极相连。
●单端共点SINK输入接线(内部共点端子S/S→24V+,外部共线→24V-)。

●单端共点SRCE输入接线(内部共点端子S/S→24V-,外部共线→24V+)。

(5)当有源输入元件(霍尔开关、接近开关、光电开关、光幕传感器等)数量比较多,消耗功率比较大,PLC内置电源不能满足时,需要配置外置电源。根据需求可以配24VDC,一定功率的开关电源。
外置电源原则上不能与内置电源并联,根据COM与外部共线的特点,SINK(sinkCurrent拉电流)输入方式时,外置电源与内置电源正极相连接;SRCE(sourceCurrent灌电流)输入方式时,外置电源与内置电源负极相连接。
(6)简单判断SINK(sinkCurrent拉电流)输入方式,只需要Xn端与负极短路,如果接口指示灯亮就说明是SINK输入方式。共正极的光藕合器,可接NPN型的传感器。SRCE(sourceCurrent灌电流)输入方式,将Xn端与正极短路,如果接口指示灯亮就说明是SRCE输入方式。共负极的光藕合器,可接PNP型的传感器。
(7)对于2线式的开关量输入,如果是无源触点,SINK与SRCE按上图的输入元件接法,对于2线式的接近开关,需要判断接近开关的极性,正确接入。
(8)超高速双端输入电路
主要用于硬件高速计数器(HHSC)的输入使用,接口电压为5VDC,在应用上为确保高速及高噪音抗性通常采用双线驱动方式(Line-Drive)。如果工作频率不高与噪音低也可以采用5VDC的单端SINK或者SRCE接法,串联一个限流电阻转换成24VDC的单端SINK或者SRCE接法。
(9)双输入端双线驱动方式(Line-Drive)。

(10)5VDC的单端SINK或者SRCE接法。

(11)24VDC的单端SINK或者SRCE接法。

注:24VDC供电的传感器,在输入回路上需要串联限流电阻,R1为10Ω,R2为2KΩ,不串联限流电阻,将烧毁接口回路,限流电阻取值2.7KΩ。
外部输入元件
1、无源干接点(按钮开关、行程开关、舌簧磁性开关、继电器触点等);无源干接点比较简单,接线容易。不存在电源的极性,压降等因素,上图3-6中的输入元件正是此类型。这里不重复介绍。
2、有源两线制传感器(接近开关、有源舌簧磁性开关)
有源两线接近开关分直流与交流,此传感器的特点就是两根线,传器输出端导通后,为了保证电路正常工作需要一个保持电压来维持电路工作,通常在3.5-5V的压降,静态泄露电流要小于1mA,这个指标很重要;如果过大,在接近开关没检测信号时,就使PLC的输入端的光电耦合器导通。
直流两线制接近开关分二极管极性保护与桥整流极性保护,前者在接PLC时需要注意极性,后者就不需要注意极性。有源舌簧磁性开关主要用在汽缸上做位置检测,由于需要信号指示,内部有双向二极管回路,因此也不需要注意极性;交流两线制接近开关就不需要注意极性。如图10:

(1)单端共点SINK输入接线(内部共点端子COM→24V+,外部共线→24V-)。如图11

(2)单端共点SRCE输入接线(内部共点端子COM→24V-,外部共线→24V+)。如图12:

(3)S/S端子接法参考图5-图6以及图11-图12
3、有源三线传感器(电感接近开关、电容接近开关、霍尔接近开关、光电开关等);直流有源三制线接近开关与光电开关输出管使用三极管输出,因此传感器分NPN和PNP输出,有的产品是四线制,有双NPN或双PNP,只是状态刚好相反,也有NPN和PNP结合的四线输出。
NPN型当传感器有检测信号VT导通,输出端OUT的电流流向负极,输出端OUT电位接近负极,通常说的高电平翻转成低电平。
PNP型当传感器有检测信号VT导通,正极的电流流向输出端OUT,输出端OUT电位接近正极,通常说的低电平翻转成高电平。
电路中三极管的发射极上的电阻为短路保护采样电阻2-3Ω不影响输出电流。三极管的集电极的电阻为上拉与下拉电阻,提供输出电位,方便电平接口的电路,另一种输出的三极管集电极开路输出不接上拉与下拉电阻。
简单说当三极管VT导通,相当于一个接点导通,如图13:

(1)单端共点SINK输入接线(内部共点端子COM→24V+,外部共线→24V-)。如图14:

(2)单端共点SRCE输入接线(内部共点端子COM→24V-,外部共线→24V+)。如图15:

(3)S/S端子接法参考图5-图6、图11-图12以及图14-图15
PLC输入接口电路形式和外接元件(传感器)输出信号形式的多样性,因此在PLC输入模块接线前必要了解PLC输入电路形式和传感器输出信号的形式,才能确保PLC输入模块接线正确无误,在实际应用中才能游刃有余,后期的编程工作和系统稳定奠定基础。

在工业现场中,压力、位移、温度、流量、转速等各类模拟量传感器因设计使用的技术方法不同。
传感器工作配电的方式主要分为两线制和四线制,其输出的模拟信号也各有差异,而常见的有0-20mA、4-20mA电流信号和0-75mV、0-5V、1-5V电压信号。
要把各类传感器模拟信号成功采集到PLC/DCS/FCS/MCU/FA/PC系统,就要根据传感器与数据采集系统的功能和技术特点进行匹配选型,同时也要考虑到工业现场传感器与PLC等数据采集系统的供电差异及各种EMC干扰的影响,通常把传感器输出的模拟信号隔离、放大、转换后送到PLC等数据采集系统。
PLC通过信号线采集传感器的模拟或数字信号,然后进行处理,如果传感器是模拟输出,PLC就要接模拟输入接口,如果传感器是数字信号输出,PLC就要接数字输入接口。

开关量传感器就是一个无触点的开关,开关量传感器可作为PLC的开关量输入信号。一般用于开关量控制的设备,机床,机器等。
模拟量传感器是把不同的物理量(如压力、流量、温度)转换成模拟量(4-20MA的电流或1-5V的电压)。模拟量传感器作为PLC的模拟量输入模块的输入信号。一般用于过程控制。
数字传感器是指将传统的模拟式传感器经过加装或改造A/D转换模块,使之输出信号为数字量(或数字编码)的传感器,主要包括:放大器、A/D转换器、微处理器(CPU)、存储器、通讯接口电路等。
常用的模拟量传感器分为两线制和四线制,两线制和四线制都只有两根信号线,它们之间的主要区别在于:两线制的两根信号线既要给传感器或者变送器供电,又要提供电流电压信号;而四线制的两根信号线只提供电流信号。通常提供两线制电流电压信号的传感器或者变送器是无源的;而提供四线制电流信号的传感器或者变送器是有源的。
因此,当PLC等数据采集系统的模板输入通道设定为连接四线制传感器时,PLC只从模板通道的端子上采集模拟信号,而当PLC等数据采集系统的模板输入通道设定为连接二线制传感器时,PLC的模拟输入模板的通道上还要向外输出一个直流24V的电源,以驱动两线制传感器工作。

4-20mA和电工标准有关,4-20mA信号制是国际电工委员会(IEC)过程控制系统用模拟信号标准。我国从DDZ-Ⅲ型电动仪表开始采用这一国际标准信号制,仪表传输信号采用4-20mA,联络信号采用1-5VDC,即采用电流传输、电压接收的信号系统。
因为信号起点电流为4mA,为变送器提供了静态工作电流,同时仪表电气零点为4mA,不与机械零点重合,这种活零点有利于识别断电和断线等故障。
根据模拟信号传感器的性能选型搜索
1

1、两线制电流/电压输出传感器(无供电电源,由负载提供16—24V配电,输出4-20mA/0-5V)。
1.1两线制无源4-20mA输入型传感器,经电流隔离配电器配电后与PLC连接。如图1所示,称重、测距传感器正端接16—24VDC,负端输出4-20mA电流。

▲图1两线制4-20mA隔离配电器典型应用图
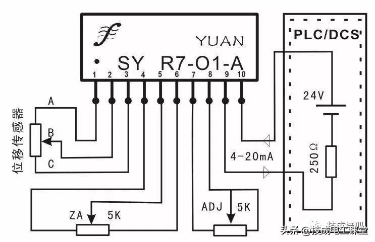
1.2两线制无源电压信号输入型传感器,经电压配电器配电后与PLC连接。如图2、图3所示,位移、电子尺传感器正端、负端接16—24VDC电压。

▲图2非隔离两线无源电压配电器

▲图3隔离型电压配电器
如图4、图5所示,应力片、称重电桥传感器正端、负端接16—24VDC电压。

▲图4隔离型电压信号转换放大

▲图5隔离型电桥电压配电器
1.3两线制传感器输出4-20mA电流环路经隔离器隔离后与PLC连接。如图6所示,压力、流量传感器正端接9—32VDC,负端输出4-20mA电流。

▲图6两线制4-20mA电流环路隔离器典型应用图
1.4两线制传感器输出4-20mA电流经隔离调理匹配(解决输入输出间冲突)后与PLC连接。如图7所示,温度、转速传感器正端接12—24VDC,负端输出4-20mA电流。

▲图7两线制4-20mA信号与PLC匹配隔离调理典型应用图
2

2、四线制电流/电压(输入/输出)型传感器(有自己的供电电源24VDC,输入/输出:4-20mA或0-5V)。
2.1四线制电流输出型传感器经模拟信号隔离放大后与PLC连接。
如图8所示,温度、湿度传感器正端接24VDC,负端输出4-20mA电流。

▲图8四线制传感器信号I/I隔离放大后与PLC连接典型应用图
如图9所示,压力、转速传感器正端接24VDC,负端输出4-20mA电流。

▲图9四线制传感器信号I/V转换后与PLC连接典型应用图
2.2四线制电压输出型传感器经模拟信号隔离放大后与PLC连接。如图10所示,压力、转速传感器正、负端接24V电源,输出端输出0-5V电压。

▲图10四线制传感器信号V/I转换后与PLC连接典型应用图
如图11所示,液位、流量传感器正、负端接24V电源,输出端输出0-5V电压。

▲图11四线制传感器信号V/V隔离后与PLC连接典型应用图
转发是最大的鼓励!谢谢您的支持!
小贴士PLC专属资料:含有从入门到高级所有PLC学习资料(三菱/西门子/欧姆龙),电气经典18本大全书,历年电气考试真题、电气必备实训仿真软件、电气自动化行业各类型技术手册!

如何获取电气热门资料?
操作指引如下!
