大家好,欢迎来到物华智能!
今天我们一起学习一下电机启动器。
在实际应用中,设备的电路一般会分为一次回路和二次回路。
二次回路的电源电压主要由AC220V和DC24V构成,比如电脑、显示器的电源、交流接触器的线圈、交流的指示灯等都是使用AC220V电源。而PLC的IO模块、通讯模块、传感器、变送器大多都是使用的DC24V电源。
那么我们如何启动和停止三相380伏的交流工业电机呢?
答案就是:使用电机启动器。
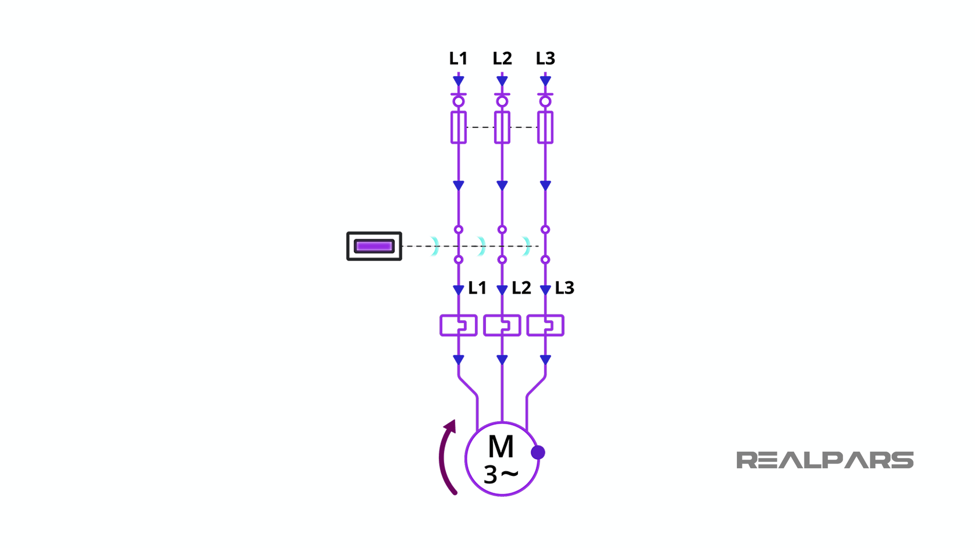
1、电机启动器类型电机启动器,又称电机控制器,其类型很多。
电机控制器主要作用就是控制电机电源的通断。一旦控制器被激活,电流就可以通过控制器流向电机,从而为电机绕组通电,电机开始旋转。
电机控制器的激活通常由控制器内置的机电设备(通常会用到接触器)来完成。根据具体工况和也会用到其他方法。

电机控制器通常带有电路断开装置、接触器或其他类型的电机执行器、电路过载保护(比如熔断器)和电机过载保护(比如热继电器)。
电机控制器可以按启动方法和启动器类型进行分组。

电机控制器可按启动方式进行分类。
1)全电压、非反向(FVNR)
第一种启动类型是全电压、不可逆电机控制器。
顾名思义,当控制器的单个接触器启动时,这种电机控制器类型(也称为FVNR)允许向电机施加全线电压。
使用FVNR电机控制器,线路相位的位置是固定的,电机只能在一个旋转方向上运行。FVNR可以被认为是跨线控制器。

2)全电压换向
在全电压换向电机控制器中,控制器有两个独立的驱动状态:
一个用于正向操作电机
一个允许电机反向运行。
这是通过添加第二个接触器来实现的。
正向接触器的作用与FVNR中的相同
反向接触器交换两相的位置。
这种两相的反转导致电机绕组中的磁场反转,从而导致电机以相反的方向旋转。
特殊的物理保护措施可防止两个接触器同时动作造成的破坏性影响。(通过两个接触器之间的机械互锁来实现,即一个接触器线圈得电的同时,另一个接触器线圈回路无法得电。)

3)降低电压
第三种电动机启动方式称为降压启动。大型电机可能具有非常高的启动电流,这可能对电机或电机控制器本身有害。
这种类型的电机控制器通过在电机首次启动时向电机施加降低的电压来限制启动电流量。

有几种方法可以实现这一点,例如自耦变压器、星三角和软启动器。这些将在后面描述。
4)多速
最后一种电机启动方法是多速。多速电机控制器使用固态或变换装置,以允许以不同的速度控制电机。这些方法中的两种,变速驱动和2速控制将在后面描述。

既然我们已经通过启动方法描述了电机控制器的四个大类,现在我们将描述六种主要的电机启动器类型。
1)手动
第一种是手动电机启动,需要操作员手动打开和关闭电机。
出于安全考虑,手动电机启动仅限于10马力以下的电机。它们可用于单相或三相应用。(对于到底多少kW的电机能够直接启动,标准不一,跟所在的变压器负荷相关;通常来说AC380V、7.5kW以下的电机都是可以通过接触器直接启动的。)

2)磁电机启动器
磁电机启动器或直接在线启动器是最常见的单速启动器类型。
对于磁力启动器,连接到PLC数字输入的按钮或选择开关用于激活PLC数字输出。PLC输出将接入一个线圈(可以控制的是中间继电器的线圈、也可以控制接触器的线圈),该线圈以磁性方式使启动器触点保持闭合,从而允许电流通过电机。
磁电机启动器与FVNR和全电压可逆电机控制器一起使用。

3)自耦变压器电机启动器
自耦变压器电机启动器通常用于低压启动应用,尤其是大型电机。
当电机启动时,两个接触器吸合。其中一个接触器使变压器电路通电,另一个则迫使变压器进入星形配置。变压器的抽头输出在启动时连接到电机引线。
一旦电机达到全电压的85%到90%,星形接触器打开,然后变压器充当扼流圈来限制电机的电压和电流。
然后主接触器闭合,电机控制器充当全电压给电机的FVNR。
4)星三角
星三角降压电机启动与自耦变压器启动有关,因为在电机控制方案中使用了三个独立的接触器。
在星三角模式下,电机以星形配置启动,在电机额定全电流的三分之一左右启动电机。
电机旋转到接近全速后,电机切换到三角形配置以连续运行。
5)软启动器
软启动器是另一种用于限制启动电流的方法。软启动器使用三端双向可控硅开关等固态电子器件来限制启动电压和电流。
软启动器允许电压在电机启动期间逐渐增加。允许电机以受控方式缓慢加速。
6)变频驱动(VFD)
变频驱动器或VFD类似于软启动器,但它还能通过改变电机的输出频率来改变电机的速度。
由于在此过程中电压也得到调节,因此使用VFD也降低了启动电流。
4、概括总结本文简要概述了四种类型的电机控制器启动技术和六种类型的电机启动装置。
电机控制器启动方法
全电压,不反转(FVNR)(电机只有正向转动)
全电压反转(根据工况需要,电机有正反两个方向可以运行)
降压(自耦变压器、星三角、软启动器)
多速(变频器)
电机控制器启动器类型
手动
磁力
自耦变压器
星三角
软启动器
变频驱动器(VFD)