这是关于 仪表风尚 分类的相关文章列表
某轮在集控室控制状态下进行主机备车:确认润滑系统滑油压力正常(一般滑油泵会提前开启);开动注油器对主...
高压控制风机是指在教学设计技术条件下,风压为30kPa~200KPa或压缩比e=1.3~3的风机。当...
高压风机和中压风机二者相比高压风机在设计方案标准下,气压为20kPa~200KPa或发动机压缩比e=...
2021年4月29日,中国载人航天工程空间站天和核心舱成功发射入轨,老刘从中国航天科工二院206所获...
1:拆除钢瓶瓶头阀需要经过培训的工人进行,包括7个步骤,在卸阀过程中还要注意倾听有无泄气声,如果听到...
根据专家介绍,浊度是指溶液对光线通过时所产生的阻碍程度,它包括悬浮物对光的散射和溶质分子对光的吸收。...
一般刷(喷)浆工程本技术交底适用于一般工业与民用建筑一般刷(喷)浆施工。1.材料要求(1)生石灰块或...
大家好,今天我要和大家分享的是DCS与流量仪表之间的故事。在工业生产中流量仪表是测量流量的必备工具,...
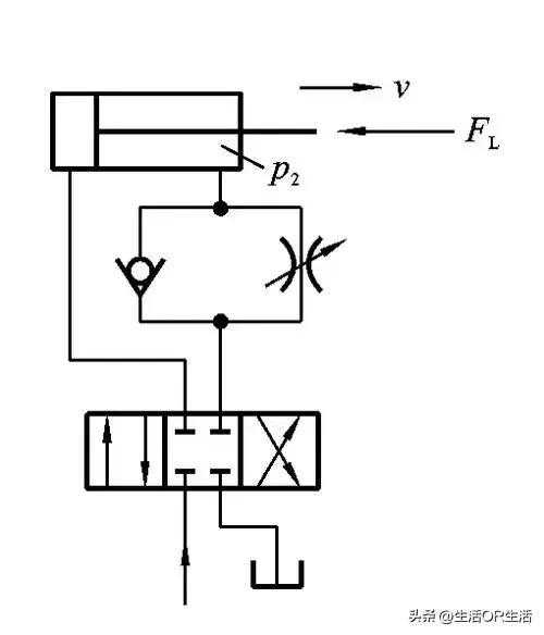
流量控制阀简称为流量阀,它是采用改变节流口流通面积的方法来控制流量的。在液压系统中经常使用流量阀来调...
大家都知道电气仪表是不分家。现在给大伙带各种仪表动图!希望对大伙有帮助~流量计(Flowmeter)...