简单的晶体振荡器电路图大全(一)
在图中,其中A1和晶体谐振子SJT及电容组成4069kHz的方波信号。将开关置1点,送至A2,经A2的二分频后,获得2048kHz振荡信号;将开关置于3点,送至A3,经A3的二分频后,获得128kHz振荡信号。调谐电容C1和C2,可使频率准确的调谐在中心频率上。

简单的晶体振荡器电路图大全(二)
极管TV2进行信号放大,经电容C8耦合输出。其中,电阻RI、R2和电阻R5、R6、R7是三极管VT1和VT2的直流偏置元件。L2是高频扼流线圈,给振荡管VT1的集电极电流提供一个直流通路。C2为隔直电容。C3、C7是交流旁路电容,使VT1的发射极处于交流零电位,但直流电位不为零。电感L1,电容C6,电阻R3为改善电源滤波电路,其作用是减少纹波电压以振高直流分量。略调电容C4、C8,可以改变耦合信号的大小。

1.元器件选择
电容C1为20p,C2为100p,C3、C7为820p,C4为56p,C5、C8为47p,C6为47u/50V。电感L1为22uH(色码电感),L2为0.3uH。电阻R1为1.6kΩ,R2为1kΩ,R3为750Ω,R4为180Ω、1W,R5为1.3kΩ,R6为3kΩ,R7为360Ω,R8为470Ω,R9—R12为300Ω、2W。三极管VT1、VT2选3DG82B,65≤β≤115。晶体SJT用JA9B型-70MHz。继电器KM为JUC-1M。
2.使用时应注意
(1)在应用石英晶体时,有一个必须注意的实际问题,这就是晶体本身的
激励功率。激励功率较大时,输出功率也大,这时,晶体三极管引入的噪声影响不大。但是,晶体激励功率过大会使晶体长期稳定性(老化特性)变坏。晶体激励功率小时,长期稳定性较好,但是使用低噪声晶体三极管较佳。
(2)由于晶体频率受温度影响很大,为保证对晶体频率稳定度的要求,必
须注意晶体恒温。即将晶体放在恒温槽内,由恒温控制电路来保证恒温槽内的温度使其维持在晶体的拐点温度。因此,为使振荡频率和震荡幅度稳定,将晶体SJT和VT1、VT2放入恒温箱内。恒温箱是用R9-R12四只2W金属膜电阻加热,一只小型密封温度继电器KM作温度控制元件。箱内温度在+55℃(所用晶体的拐点温度一般在+60±5℃)。为减小恒温箱的体积,其电路中的元器件尽可能选其体积越小越好。如箱内温度高于+55℃时,KM-1.2触点断开;如≤+55℃时,KM-1.2触点闭合,以保证箱内温度温定在+55℃。
简单的晶体振荡器电路图大全(三)

该电路振荡频率范围为100kHz-5MHz。工作特性由源极电阻确定。利用微调电容可以调节频率。输出电阻较高,后接一个源极跟随器作隔离器则可以客服这一缺点。
简单的晶体振荡器电路图大全(四)
这个简单又廉价的晶体振荡器由74LS04的两个门及外围元件组成,电路如图3所示:

明确输出状态由D决定,而输出状态的翻转则由CP来控制这一点,则可产生多种适合自己需要的频率。
简单的晶体振荡器电路图大全(五)

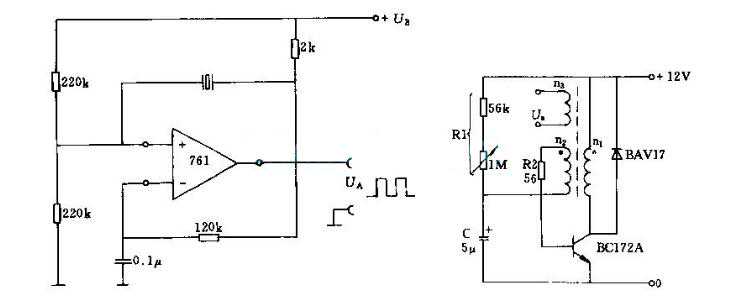
采用运算放大器的晶体振荡器电路。此电路采用761运算放大器,输出脉冲频率可达10MHz。2kΩ电阻用来作运算放大器输出级集电极开路的负载。
简单的晶体振荡器电路图大全(六)

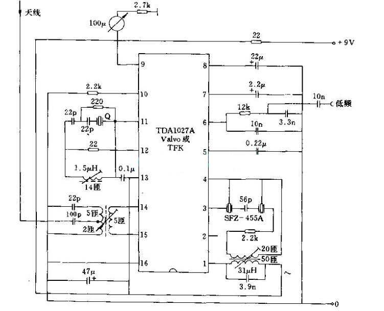
带石英晶体振荡器的无线电收音机电路。该电路频率可致27MHz。中频为455kHz。为了增大接受功率,这里采用了场效应晶体管前置级。
简单的晶体振荡器电路图大全(七)
频率至2MHz的石英晶体振荡器电路

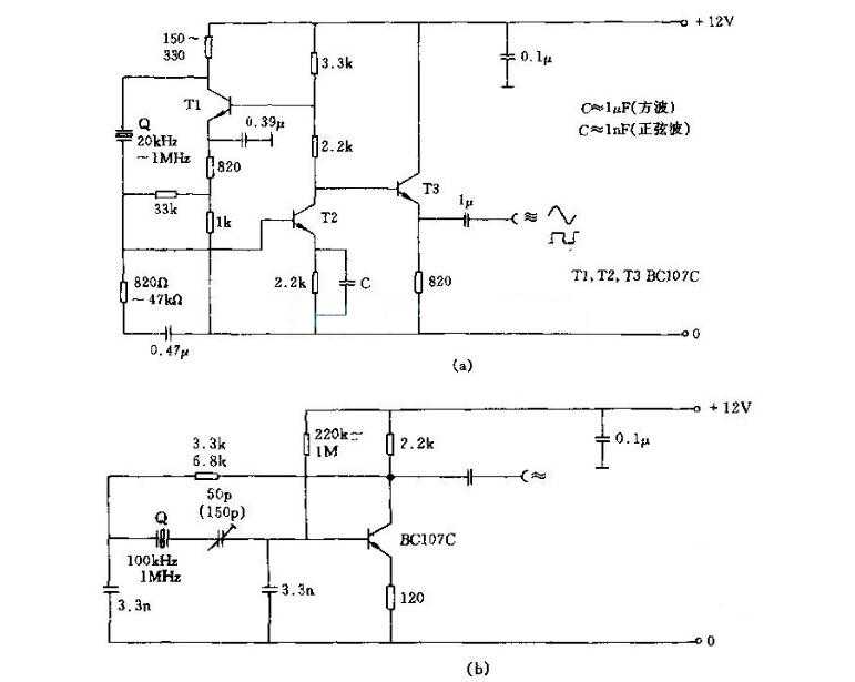
图(a)和(b)示出两个2MHz振荡器基本电路。根据电路结构,通过试验调整可以确定出其最佳工作点。
简单的晶体振荡器电路图大全(八)
场效应晶体瞥石英晶体振荡器电路

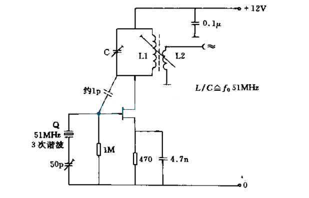
该振荡器以51MHz(17MHz3次谐波)晶体工作。根据结构的不同,漏—门极间电容可选取0.5—1.8pF。L2匝数约为L1的20%。通过470Ω源极电阻可以改变振荡特性。
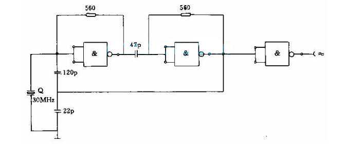
简单的晶体振荡器电路图大全(九)
采用“与非”门的30MHs石英晶体振荡器电路

该电路由TTL集成电路(745000)构成。利用石英晶体频率的3次谐波工作。振荡性能靠精确选择47pF电容(10—100pF)来保证。输出电压约3.5V(峰—峰值)。
简单的晶体振荡器电路图大全(十)
采用“与非”门的石英晶体振荡器电路

该电路采用两个7400TTL“与非”门,振荡频率可达10MHz。两个820Ω电阻必须根据所选取的振荡频率精心调整确定。