电磁阀的选型与计算
正确地选用各种控制阀是设计气动控制系统的重要环节。选择的合理,能
使线路简化,减少阀的品种和数量,保证气动系统准确可靠,降低压缩空气的
消耗量,降低成本等。
选用阀的适用范围应与使用现场的条件相一致,如气源压力范围,电源条
件(交直流、电压大小及波动范围),介质温度、湿度,粉尘,振动等。
选用阀的功能及控制方式应符合系统工作要求,即应根据气动系统对元件
的位置数、通路数、记忆性、静止时通断状态和控制方式等的要求选用符合所
需功能及控制方式的阀。
选用阀的性能应满足系统工作要求,即应根据气动系统对最低工作压力或
最低控制压力、最高许用压力、动态性能、气密性、寿命及可靠性等的要求选
用符合所需性能指标的阀。
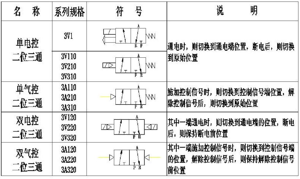
电磁阀的选型步骤:①选定电磁阀系列:根据所需流量及驱动形式,选定
电磁阀系列二位三通、二位五通。②选定机能:根据不同的控制方式选择电
控、气控、人力或机械控制单控、双控、三位置。③选定电气规格:选择使用
电流及电压,选择接线形式(出线式、端子式)。④选定配管口径:每个电磁
阀都有它指定的配管口径,有些会有一个以上的口径尺寸可供选择。
(1)方向控制阀系列的选择
应根据所配套的不同执行元件选择不同功能系列的阀。

(2)控制方式的选择
应根椐工作要求及气缸的动作方式选择合适的换向阀控制方式。换向阀
控制方式的选择。


(3)电磁阀的流通能力
选择阀的流通能力应满足系统工作要求,即应根据气动系统对元件的瞬
时最大流量的要求来计算阀的通径。对于直接控制气动执行元件的主阀,必须根椐执行元件的流量来选择阀的通径,且选用阀的流量应大于所需要的流
量。
Cv值:阀门的流通能力即表示在阀门全开前后压差为0.098mpa条件下,密
度为1000kg/m3的清水,流过阀门的体积流量数,单位为m3/h。
(Cv=1.167Kv)
有效面积S值:在气动技术中,不论元件和管路内部结构如何复杂,设想通过该
元件或管路的实际流量就等于在相同压力条件下通过一理想节流孔的流量,此
理想节流孔的流通面积就称为该实际元件或管理的有效流通面积。
S值与C值之关系:S=18.0*10-6Cv(m2)=18*Cv(mm2)
Q标=984Cv(L/min)(进气压力0.7,出口压力0.6,温度20度
根据所需流量及驱动形式,选定电磁阀系列
气缸的必要流量(最大耗气量):
根据气缸缸径、行程、运行速度及使用压力计算出所需的耗气量。


气缸、阀的选配及其通径和流量:
