电子变压器也就是开关稳压电源。它实际上就是一种逆变器。首先把交流电变为直流电,然后用电子元件组成一个振荡器直流电变为高频交流电。通过开关变压器输出所需要的电压然后二次整流供用电器使用。电子变压器具有体积小,重量轻,价格低等优点,所以被广泛用在各种电器中。电子变压器的原理较复杂。
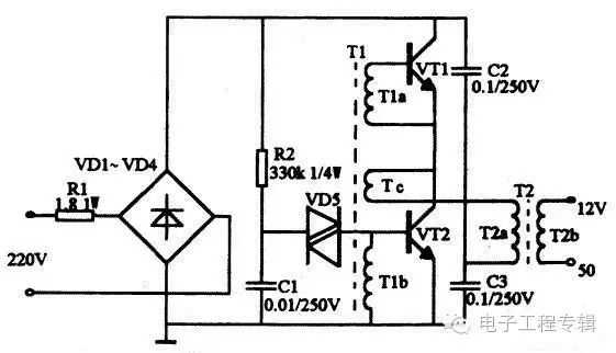
下面一种电子变压器电路图的分析,输入为ac220v,输出为ac12v,功率可达50w。它主要是在高频电子镇流器电路的基础上研制出来的一种变压器电路,其性能稳定,体积小,功率大,因而克服了传统的硅钢片变压器体大、笨重、价高等缺点。

电子变压器原理
如图所示。电子变压器原理与开关电源工作原理相似,二极管vd1~vd4构成整流桥把市电变成直流电,由振荡变压器t1,三极管vt1、vt2组成的高频振荡电路,将脉动直流变成高频电流,然后由铁氧体输出变压器t2对高频高压脉冲降压,获得所需的电压和功率。r1为限流电阻。电阻r2、电容c1和双向触发二极管vd5构成启动触发电路。三极管vt1、vt2选用s13005,其b为15~20倍。也可用c3093等buceo=35ov的大功率三极管。触发二极管vd5选用32v左右的db3或vr60。振荡变压器可自制,用音频线绕制在h7x10x6的磁环上。tia、t1b绕3匝,tc绕1匝。铁氧体输出变压器t2也需自制,磁心选用边长27mm、宽20mm、厚10mm的ei型铁氧体。t2a用直径为0.45mm高强度漆包线绕100匝,t2b用直径为1.25mm高强度漆包线绕8匝。二极管vd1~vd4选用in4007型,双向触发二极管选用db3型,电容c1~c3选用聚丙聚酯涤纶电容,耐压250v。
此电子变压器电路工作时,a点工作电压约为12v;b点约为25v;c点约为105v;d点约为10v。如果电压不满足上述数值,或电子变压器电路不振荡,则应检查电路有无错焊、漏焊或虚焊。然后再检查vt1、vt2是否良好,t1a、t1b的相位是否正确。整个电子变压器电路装调成功后,可装入用金属材料制作的小盒内,发利于屏蔽和散热,但必须注意电路与外壳的绝缘。引外,改变t2a、b二线圈的匝数,则可改变输出的高频电压。
另一篇介绍电子变压器的文章
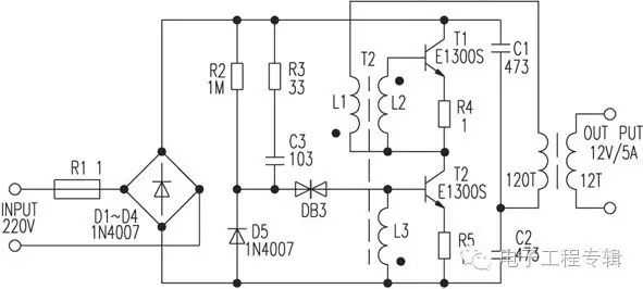
本文介绍的电子变压器克服了传统硅钢片变压器体积、重量大、效率低、价格高的缺点,电路成熟,性能稳定。

工作原理
本电子变压器工作原理与开关电源相似,电路原理图见图1,由VD1-VD4将市电整流为直流,再把直流变成几十千赫兹的高频电流,然后用铁氧休变压器对高频、高压脉冲降压。图中R2、C1、VD5为启动触发电路。C2、C3、L1、L2、L3、VT1、VT2构成高频振荡部分。
元器件选择与制作
元器件清单见下表。

L1、L2、L3分别绕在H7×4×2mm3的磁环上,L1、L2绕6匝;L3绕1匝。L4、L5绕在H31×18×7mm3的磁环上,L4绕用Φ=0.1mm的高强度线绕340匝;L5用Φ=1.45mm的高强度线绕20匝。VT1、VT2选用耐压BVceo≥350V大功率硅管。其它元件无特殊要求。
电路正常工作时,A点工作电压约为215V,B点约为108V,C点约为10V,D点约为25V。如果不振荡,检查VT1、VT2及L1、L2、L3的相位是否正常(交换L3的两根接线即可)。改变L5的匝数可改变输出电压。
附卤素灯用电子变压器原理图
