大家好,这期我们来聊一下IGBT应用中的换流方式,想到这个话题,主要是发现身边很多朋友对常用的电压型逆变器中的IGBT换流过程并没有搞得很清楚。
电力电子教科书上对于逆变器换流方式的讲解重点是以半控型器件晶闸管为例展开的,而对于基于全控型器件IGBT或MOSFET的电压型逆变器,虽然也讲了具体的工作原理,但是并没有特别强调“换流”概念。同时由于IGBT应用如此广泛,且换流暂态对于分析器件的电、热应力有很重要的意义,所以觉得有必要对单独将IGBT换流过程拿出来讲讲。
首先,让我们看一下换流的基本概念[1]:电流从一个支路向另一个支路转移的过程称为换流,也称为换相。在换流过程中有的支路从通态转移到断态,有的支路从断态转移到通态。对于这个概念的理解,我们可以将其类比于田径运动中的4*100m接力赛,不同支路电流的转移过程相当于两个运动员接力棒交接的过程。
1.器件换流:利用全控器件的自关断能力进行换流。
2.电网换流:由电网提供换流电压,只要把负的电网电压加在欲换流的器件上即可。
3.负载换流:由负载提供换流电压,当负载为电容性负载即负载电流超前于负载电压时,可实现负载换流。
4.强迫换流:设置附加换流电路,给欲关断的晶闸管强迫施加反向电压换流称为强迫换流。
以上换流方式的分类主要是看谁起主导作用引起的换流过程(即换流的触发因素)。其中器件换流只适用于全控器件(MOSFET或IGBT),其余三种方式主要是针对半控型器件晶闸管而言。
该书还强调了研究换流方式主要是研究如何使器件关断。IGBT关断很简单,给门极驱动板一个关断信号就可以(控制信号和功率回路是没有耦合因素的),而晶闸管的关断就复杂多了,需要满足一定的外电路条件,例如:在电流过零后再需要施加一定的反向电压,才能使其关断(关断过程和功率回路强耦合)。从这个角度看晶闸管的换流过程要比IGBT复杂的多,这也是为什么教科书对于换流过程的讲解主要是以晶闸管为例的原因。
然而,现实中大部分电力电子变流器采用的都是IGBT,因此研究IGBT的“换流过程”可能意义会更大一些。需要说明的是,对于IGBT的换流过程研究和晶闸管换流研究侧重点有所不同:晶闸管的换流过程研究重点是怎么让其关断(对于IGBT这是驱动的工作);而IGBT的换流过程研究重点是分析清楚具体的电流路径,进而评估换流暂态器件的电、热应力。
为了研究IGBT的换流过程,我们引入“自然换流”和“强迫换流”两个概念。主要是因为并不是所有的IGBT开关过程都会引起换流,也要看具体的电路情况。根本原因是IGBT内部集成了续流二极管,在实际工作时,有可能是IGBT承载电流,也有可能是内部二极管承载电流,如下图所示。

当IGBT承载电流时,如果关断IGBT,此时的换流过程我们称为强迫换流;当二极管承载电流时,关断IGBT对电流是没有影响的,换流过程由外电路决定,我们称为自然换流。这种定义在教科书上找不到啊,大家千万不要较真儿啊,一切以教科书为准,名字定义无所谓,重要的是对换流过程的理解。
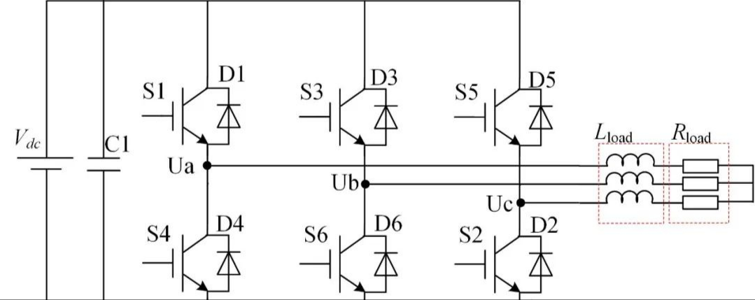
为了加深对自然换流和强迫换流的理解,我们以三相电压型逆变器(阻感负载)为例,对IGBT的换流过程进行简要说明。

在分析换流过程之前,让我们先看一下稳态工作时的电流路径是怎么走的。我们以A相为例进行说明,B、C两相类似,在稳态情况下只有四种电流路径,分别对应图3的①、②、③和④,换流的过程也就是这四种状态的转移过程。

同时,IGBT的开关动作要满足一定规则:
1:同一桥臂的两个器件S1和S4不可能同时开通,不然就炸鸡了哦。
2:同一桥臂的两个器件互补开关,S1开通,S2关断;S1关断,S2开通。
在满足以上规则的条件下,让我们看一下具体的换流过程;
①转②的过程(强迫换流):
当电路稳定工作在状态①时,如果关断S1,由于负载电感存在,负载电流ia不能突变,这时候D4会起到接力作用,经过短暂的死区时间后,S4打开,但是对负载电流ia并没有影响,电路ia方向没有变化,但是会逐渐减少。
②转①的过程(强迫换流):
当电路稳定工作在状态②时,如果关断S4,负载电流ia没有变化,经过短暂的死区时间后,S1打开,这时候D4会被强迫关断,这时候接力棒又传到了S1上。
②转③的过程(自然换流):
前面已经提到,当电路稳定工作在状态②时,其实S4已经开通了,但是负载电流ia方向没有变化,但是会逐渐减小。当减小到0时,电流会反向流动,这时候会进入状态③,进入状态③后电流又会逐渐增加。
给大家留个问题:
关于自然换流过程ia为什么会逐渐减小,反向后,又逐渐增加?(提示:考虑B,C两相的开关状态)
对于其它换流过程:
③转④的过程等同于①转②的过程;
④转③的过程等同于②转①的过程;
④转①的过程等同于②转③的过程;
老耿就不细说了,小伙伴们可以自己去分析一下!
让我们再看一下哪些换流过程中,器件会存在电、热应力:
对于强迫换流:
①转②的过程中,S1被强迫关断,会产生关断损耗,同时有关断电压尖峰应力;
②转①的过程中,D4被强迫关断,会产生反向恢复损耗,可能会有一定的电压尖峰应力;同时S1会产生开通损耗,存在一定的电流尖峰应力;
③转④的过程中,S4被强迫关断,会产生关断损耗,同时有关断电压尖峰应力;
④转③的过程中,D1被强迫关断,会产生反向恢复损耗,可能会有一定的电压尖峰应力;同时S4会产生开通损耗,存在一定的电流尖峰应力;
自然换流:功率器件无任何应力。