如果在零气耗鼓风加热再生吸干机上选用分子筛,再调整加热再生、循环冷却的参数,可将鼓风加热再生吸附干燥机的出口压力露点达到-70℃以下。
在这点上,鼓风加热再生完胜余热吸干机。

由于吸附剂上部的完全再生,吸附剂的使用寿命也大幅度延长,一般可达5年以上,阀件的使用寿命也被大幅度延长。
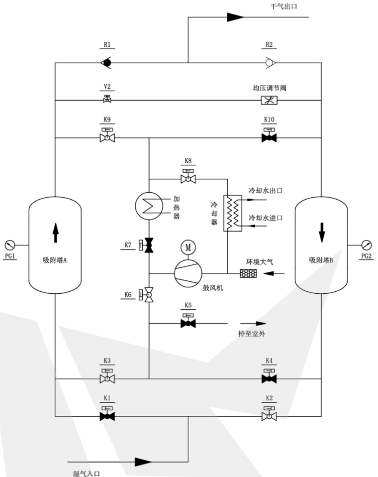
下图是鼓风加热再生的流程图:
吸附湿气从下方进入,经过打开的K1阀后进入吸附塔A。
被吸附脱水后的成品气,由R1单向阀输送至后方用气。

一、加热再生
M鼓风器吸入环境大气后,经过K7阀进入电加热器。
加热后的空气经过K10阀自上而下进入吸附塔B。
加热再生完毕后的空气携带着大量水分,经过K2阀、K5阀,排至室外。
二、冷却(让吸附剂重新拥有吸附能力)
M鼓风机重新吸入环境大气,这次空气经过的是K6阀。
随后经过K4阀,自下而上进入吸附塔B。
冷吹结束后的空气,经过K10阀、K8阀,进入水冷却器
空气经过降温,冷凝出液态水。
经汽水分离器分离水分后,再次被鼓风机吸入,循环冷吹吸附塔B内的吸附剂。
这就是零气耗鼓风加热再生吸附式干燥机的大致工作流程。
