首先气动和液压两个子行业都用到以上所说的阀。其次气动和液压系统一般分为气液源及处理系统,控制元器件,和执行元器件等组成,以上所说的各种阀都属于控制元器件。顾名思义,就是控制气液路系统各种介质或者参数。不外乎方向,流量,压力等等,以上这些阀也就是起这个作用。

电磁阀
比例阀和伺服阀是从另外一个维度对阀进行分类。例如流量比例阀是对阀的流量进行自动的无级的调节,输入的电流信号与输出的气体流量成一定的比例关系。这与传统的阀差别很大。伺服阀用于伺服控制系统中,提高了系统的响应速度。这两种阀里又包含了压力控制阀和流量控制阀。比例阀与伺服阀与传统的电磁方向和压力控制阀相比价格高很多,一般的自动化行业较少用到。
电磁阀的作用是什么?电磁阀是一种依靠电磁力自动开关的截止阀。在制冷空调装置中,常用电磁阀作为遥控截止阀、双位调节系统的调节机关或安全保护设备。它可适用磁阀作为遥控截止阀、双位调节系统的调节机关或安全保护设备。它可适用于各种气体、液体制冷剂、润滑油等介质。
对于一些早期的中小型单元机组,电磁阀串联在节流装置前的液管上,并与压缩机连接同一个启动开关。当压缩机开机时,电磁阀打开,接通系统管路,使空调系统正常运行。当压缩机停机时,电磁阀自动切断液体管路,阻止制冷剂液体继续流向蒸发器,防止压缩机再次启动时造成制冷剂液击。
在中央空调(多联机)系统中,电磁阀在系统中运用更加广泛,包括:控制四通阀的先导阀、压缩机排气回油管路上、降温回路上的等等。

真空电磁阀的作用
真空电磁阀作用在管道系统中,能够利用电磁原理,实现对管路进行真空处理,同时实现电磁控制,能够对管道系统的整个工作状态产生较大的影响,而且使用真空电磁阀还能够有效地避免其他不相干的因素对管道产生的影响,从而对管道系统的工作状态做出正确的调整。

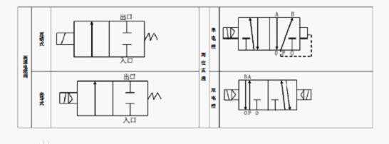
电磁阀图标
电磁阀图形符号的含义:
1、用方框表示阀的工作位置,每个方框表示电磁阀的一种工作位置,即“位”,有几个方框就表示有几“位”,如二位三通电磁阀表示有两种工作位置。
2、方框内的箭头表示油路处于接通状态,但箭头方向不一定表示液流的实际方向;
3、方框内符号“┻”或“┳”表示该通路不通;

电磁阀图标
4、方框外部连接的接口数有几个,就表示几“通”;
5、一般,阀与系统供油路或气路连接的进油口/进气口用字母p表示;阀与系统回油路/气路连通的回油/回气口用t(有时用o)表示;而阀与执行元件连接的油口/气口用a、b等表示。有时在图形符号上用l表示泄漏油口;
6、换向阀都有两个或两个以上的工作位置,其中一个为常态位,即阀芯未受到操纵力时所处的位置。图形符号中的中位是三位阀的常态位。利用弹簧复位的二位阀则以靠近弹簧的方框内的通路状态为其常态位。绘制系统图时,油路/气路一般应连接在换向阀的常态位上。