HRL船上为高压水雾系统提供保压服务的是一台德国进口的MAXIMATOR气液增压泵,据船上反应,最近有一台保压泵工作异常,主要表现为系统保压压力降低且消音器处的泄气声音明显增大,借此机会,我们来说说这种气动增压泵的原理,再回头看看这个故障现象,处理起来就容易多了!图1为保压泵

图1.气动保压泵
气液增压泵是以气体为动力源,利用大面积活塞端的低压气体驱动面转换为小面积活塞端的高压液体面,以达到增压输出的目的,输出压力大小取决于活塞面积比和气源大小,能够实现自动循环,当水雾系统压力降低时,泵会自动运行打压,随着压力慢慢升高,泵会减速运行,当高压活塞端压力与液压力达到平衡时,活塞会保持静止,系统处于保压状态。图2为增压缸的基本原理。

图2.增压缸的基本原理
从图2我们可以看出P2的大小是取决于活塞面积比和P1大小的。
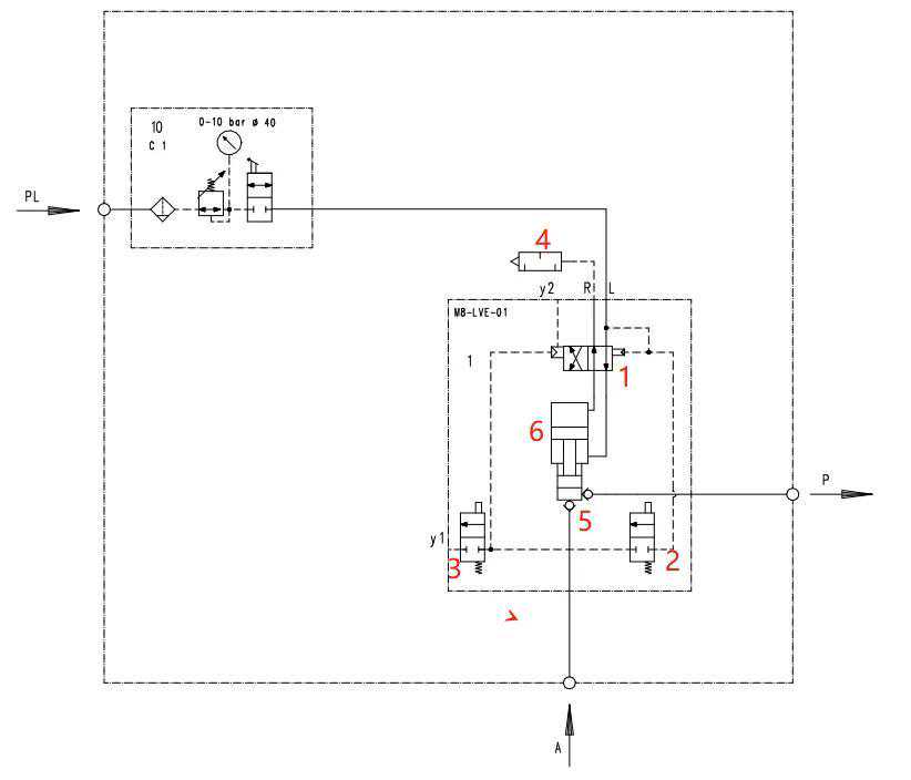
通过上面介绍,基本原理我们有了个大概了解,那我们就来结合本船所配的保压泵的系统原理图来分析一下它的工作过程。如图3所示。

图3.系统原理图
从上图来看,气源压力为0—10bar的空气压力,当气动活塞6移动到上止点时,就会顶开二位二通阀2,从气源来的低压空气就会通过阀2进入到换向阀1的左边腔室,从而推动主阀1的活塞向右移动,低压空气就会通过阀1进入到气缸6的活塞上方,推动活塞向下移动,同时将小活塞下的水压缩至高压,进入P口给系统补压。当气缸活塞移至下止点时,顶开阀3,主阀1左边腔室的气体就会通过阀3泄掉,主阀1的活塞就会在低压空气的作用下向左移动,这时候气缸6的活塞下方进气,上方连通消音器4,活塞就会向上移动。如此往复运动,随着压力升高运动减慢,直到压力达到最终平衡。
到这里我们已经对气动增压泵的原理有个清楚的认识了,再回头看看船上的故障现象,不难发现,消音器处的声音异常增大,必定是加压活塞密封泄露所致。