森耐今天和大家聊一聊聚氨酯复合板的知识。
熟悉森耐聚氨酯管托的朋友都知道这里经常更新关于管道结构件的知识。其实来说,聚氨酯复合板与聚氨酯管托本质上都是一样的保冷保温材料,只不过作用的方式和使用场景环境有所区别。
那么今天,就跟随森耐聚氨酯管托一起来了解一下聚氨酯复合板的性能和工艺吧!

聚氨酯复合板又叫聚氨酯保温板,属于热固型材料,高温下不会流淌、粘连,具有良好的热稳定性,聚氨酯保温板在燃烧过程中表面会形成碳化保护层,能有效的阻止火焰蔓延;而聚苯板属于热缩型材料,高温会变形,100℃达到融化温度。
聚氨酯复合板主要原材料是异氰酸酯和组合聚醚化学反应发泡,机制流水线生产。
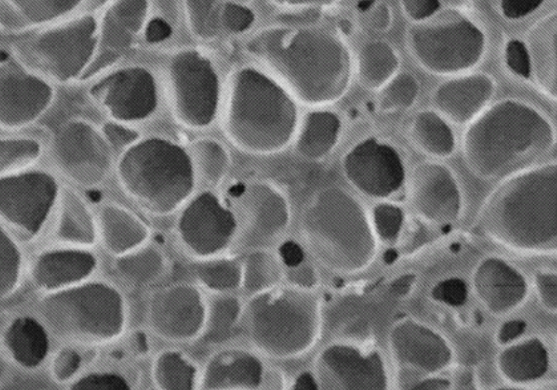
聚氨酯保温板的性能:
1、硬质聚氨酯导热系数低,热工性能好。当硬质聚氨酯密度为35~40kg/m3时,导热系数仅为0.018~0.024W/(m·k),约相当于EPS的一半,是所有保温材料中导热系数最低的。

2、硬质聚氨酯具有防潮、防水性能。硬质聚氨酯的闭孔率在90%以上,属于憎水性材料,不会因吸潮增大导热系数,墙面也不会渗水。
3、硬质聚氨酯防火,阻燃,耐高温。聚氨酯在添加阻燃剂后,是一种难燃的自熄性材料,它的软化点可达到250摄氏度以上,仅在较高温度时才会出现分解:另外,聚氨酯在燃烧时会在其泡沫表面形成积碳,这层积碳有助隔离下面的泡沫。能有效地防止火焰蔓延。而且,聚氨酯在高温下也不产生有害气体。

4、由于聚氨酯板材具有优良的隔热性能,在达到同样保温要求下,可使减少建筑物外围护结构厚度,从而增加室内使用面积。
5、抗变形能力强,不易开裂,饰面稳定、安全。
6、聚氨酯材料孔隙率结构稳定,基本上是闭孔结构,不仅保温性能优良,而且抗冻融、吸声性也好。硬泡聚氨酯保温构造的平均寿命,在正常使用与维修的条件下,能达到30年以上。能够做到在结构的寿命期正常使用条件下,在干燥、潮湿或电化腐蚀,以及由于昆虫、真菌或藻类生长或者由于啮齿动物的破坏等外因影响,都不会受到破坏。

7、综合性价比高。虽然硬质聚氨酯泡沫材的单价比其它传统保温材料的单价高,但增加的费用将会由供暖和制冷费用的大幅度减少而抵消。
其实看到这里大家也比较明白了,聚氨酯复合板的材质和聚氨酯管托本质上是一样的,只不过在处理工艺的细节处和具体的施工方法有所区别。所以关于聚氨酯复合板的更多细节方面内容,森耐会在以后的内容里进行更加详细的介绍!
