力士乐A10VO,31系列各种控制方式。
DG原理:通过在X油口接通外部切换压力使变量泵达到最小摆角。控制油可直接供给控制活塞,所需的最低控制压力Pst≥30Bar。变量泵只在最大排量点或最小排量点切换。

DG
DR原理:在泵的控制范围内,该行压控制将液压系统中的压力保持恒定。泵仅供给执行元件所需的液压油量。压力可以在控制阀上无极设定。

DR
DRG原理:恒压控制的功能和装置与DR相同。为了达到远程控制,在油口X处接一溢流阀。控制阀的压差标准设定为20bar,所需控制流量为1.5L/min,可以另设定(在10~22bar范围内)。在P(电控)中带直径为0.8mm的节流孔按RC29166管路长度最长不允许超过2m。

DRG
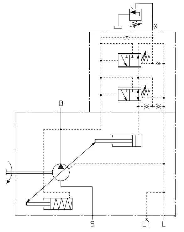
DRT1/2原理:以控制压力来控制的可变式压力控制器,无控制压力时,泵处于准备状态(约25bar)。使用控制压力油泵压力按照DRT1或DRT2系数比(DRT1i=18.2,DRT2i=12.4)升高。此控制是为压力需求控制所作的特别设计。压力需求控制适用于工程机械的工作装置的控制。在本系统中,主阀芯采用液控。泵的压力随先导压力而变化。

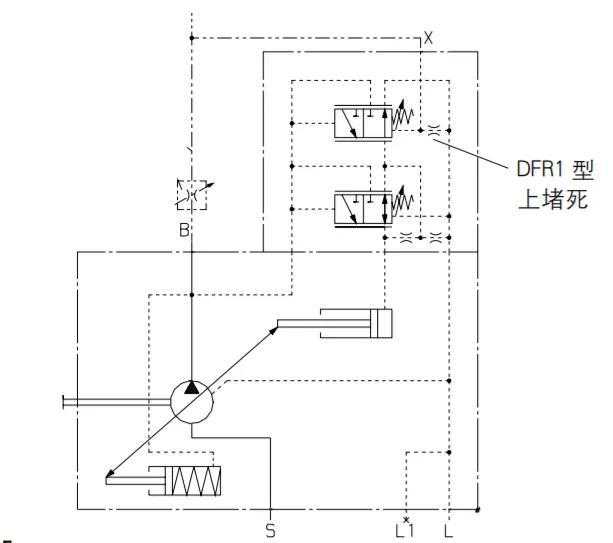
DFR/DFR1原理:除了压力控制器的功能外,泵的流量可通过执行原件上(如一个节流孔)的压差进行设定。在DFR1型上节流孔X堵死。

DFR/DFR1
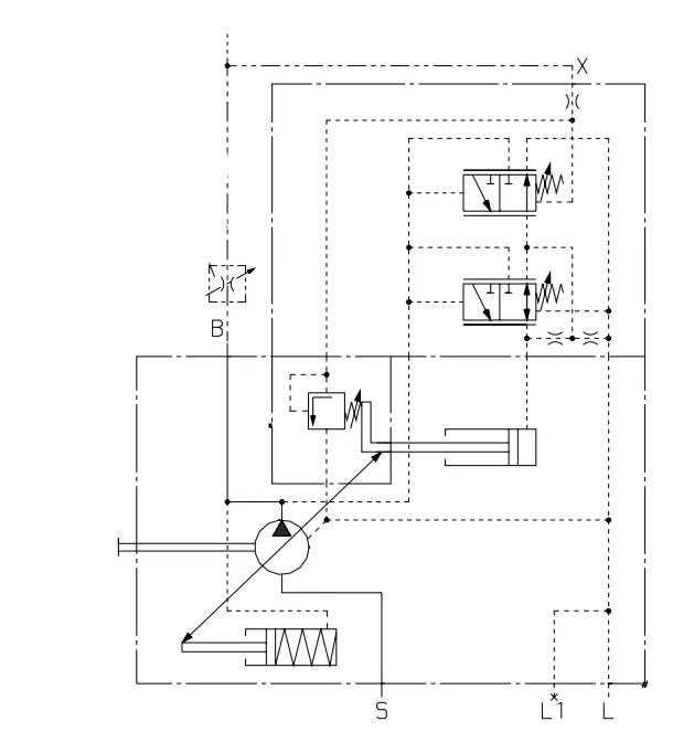
DFLR原理:在各种工作压力下,为了获得恒定的驱动扭矩,轴向柱塞泵的摆角及流量也随之改变。从而达到压力与流量的积维持在一个恒定值。

DFLR
流量控制只能在恒功率控制曲线以下。

恒功率曲线
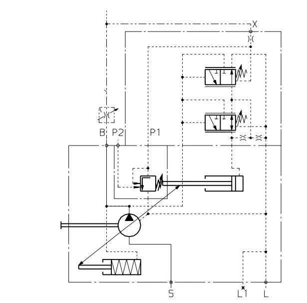
DFSR原理:对A10V变量泵和一个第二泵的所接收的总功率加以限制。

DFSR
FHD原理:泵的斜盘摆角,与此对应的排量或流量取决于X口的先导压力。必须在油口Y提供35Bar的恒定压力,压力控制阀内安装在油泵中,可在此阀上无级设定控制压力。

FHD
FE1流量控制,电控

FE1
DFE1压力和流量控制,电控

DFE1