大家好,我是李工,今天我继续来讲电解电容,这篇主要是电解电容的作用以及电解电容怎么测好坏?
电解电容的作用
1、滤波作用
在电源电路中,整流电路将交流变成脉动的直流,而在整流电路之后接入一个较大容量的电解电容,利用其充放电特性(储能作用),使整流后的脉动直流电压变成相对比较稳定的直流电压。
在实际中,为了防止电路各部分供电电压因负载变化而产生变化,所以在电源的输出端及负载的电源输入端一般接有数十至数百微法的电解电容。由于大容量的电解电容一般具有一定的电感,对高频及脉冲干扰信号不能有效地滤除,故在其两端并联了一只容量为0.001-0.1pF的电容,以滤除高频及脉冲干扰。

滤波功能
2、耦合作用
在低频信号的传递与放大过程中,为防止前后两级电路的静态工作点相互影响,常采用电容藕合。为了防止信号中的低频分量损失过大,一般总采用容量较大的电解电容。
如下图:C2,C3用于传递交流信号,隔离直流信号,此处要求电解电容的漏电流足够小,容量足够大。
1、漏电流大会产生直流电流,导致工作点偏移,还会产生漏电噪声。
2、足够大的电容量可避免信号在传输时由于电容容抗产生的衰减由电容容抗。
由此可见:在一定频率下,电容量越大,容抗越小,信号的衰减就越小,但电容量太大,ELS也大,也会引起高频信号衰减。

耦合功能

耦合功能
3、定时功能

定时功能
充电后的任意时刻,如左部分,电容上的电压Ut与充电时间t有如下关系(充电电源电压为Uu):

充电电压公式
放电后的任意时刻,如右部分,电容上的电压Ut与充电时间t有如下关系(充电电源电压为Uu):

充电电压公式

定时功能
RC的乘积称之为时间常数,可见时间常数越大,充放电就越慢。
4、退藕

退耦功能
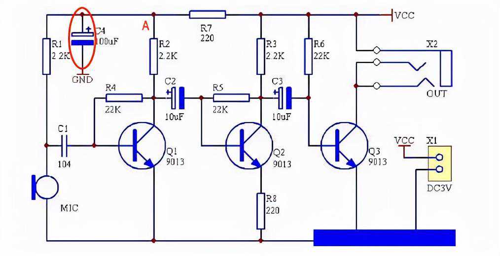
如上图所示,两级放大器直流电压供给电路之间加入退耦电容C4后,电路中A点上的交变信号被C4短路到地端,而不能通过电阻Rl加到Q1基极。这样,多级放大器中就没有级间的交连现象,从而达到了消除电路之间的寄生耦合的目的。
退耦电容的容量是根据期望的纹波大小和噪声信号的频率决定。对更高频率的噪声,为补偿电解电容高频吸收不足,需要在电解电容上并联小容量的薄膜电容。
5、旁路
将混有高频电流和低频电流的交流信号中的高频成分旁路滤掉的电容,称做旁路电容。
旁路电容的主要功能是当混有高频和低频的信号经过放大器时,要求通过某一低频信号,而阻碍高频信号,则在输入端加一个适当大小的接地电容,使高频信号很容易通过此电容被旁路掉(这是因为电容的高频阻抗小),而低频信号由于电容对它的阻抗较大而被输送到下一级。

旁路功能
对于同一个电路来说,旁路电容是把输入信号中的高频噪声作为滤除对象,把前级携带的高频杂波滤除;而退耦电容是把输出信号的干扰作为滤除对象。
去耦电容和旁路电容没有本质的区别,容量的选择也是由噪声频率所决定,有时也需要并联薄膜电容以消除更高频率的噪声。
电解电容怎么测好坏?
电解电容损坏有以下几种表现:
1、外形变形,外形鼓包、爆裂、流液;
2、完全失去容量或者容量变小,这个时候外观看不出来的,必须要测量;
3、轻微或者严重漏电;
4、失去容量或容量变小兼有漏电;
电解电容为什么会损坏?
造成电解电容损坏通常是以下几种原因:
1、整流管损坏
当整流桥中有一个整流管被击穿时,整流后的电压将出现交流成分,滤波电容上出现反向电压,滤波电容器因此而损坏。
2、电压分配不均
当均压电阻中有一个损坏时,互相串联的两组电容上的电压分配变得不均衡,则电压较高的电容容易损坏。
3、电容器漏电电流过大
电解电容接入电路时,是存在漏电流的。正常情况下,漏电流是很小的。但如果由于电容老化,或由于电容本身的质量较差等原因,漏电流将增大,电解电容将因严重发热而损坏。
4、虚焊和虚接
较大的电解电容会出现这种现象,造成滤波不好而引起电路故障。有时有些虚焊外观不太明显要仔细观察才能发现。在测量和补焊或拆高压电解前,一定要测量一下电容上是否还有存电,以免触电或烧表!因为电解电容的管脚是夹在内部的金属片上的,有时不经意的磕碰会造成管脚与金属片脱离而损坏,这时用手轻摇一下就能发现。
5、过压
当加在电解电容两端的电压超过它的耐压值时,也很容易造成电解电容损坏。
电解电容怎么测好坏?
首先就是外观检测,主要是以下两点:
1、有的电容损坏时会漏液,电容下面的电路板表面甚至电容外表都会有一层油渍;有的电容损坏后会鼓起,这都是损坏的表现;
2、开机后有些漏电严重的电解电容会发热,用手指触摸时甚至会烫手,这个时候必须要把电容换掉。
当无法直观地看到电解电容的外观变形时,就可以通过以下两种方法来检测电解电容是否正常:
1、对电解电容的电容量进行检测
2、检测电解电容充、放电状态
对电解电容的电容量进行检测
检测前,首先识别待测电解电容器的引脚极性,然后用电阻对电解电容进行放电操作,以避免电解电容中存有残留电荷而影响检测结果,如下图所示:

对电解电容进行放电处理
注意:电解电容的放电操作主要是针对大容量的电解电容。
由于大容量电解电容在工作中可能会有很多电荷,如短路,则会产生很强的电流,引发电击事故。
如下图所示,容易损坏万用表,应先对电阻放电后再进行检测。一般可选用阻值较小的电阻,将电阻的引脚与电解电容器的引脚相连即可放电。

在通常情况下,电解电容的工作电压在200V以上,即使电容量比较小也需要放电,如60μF/200V的电容,因工作电压较高,属于大容量电容。在实际应用中,常见的电容器1000μF/50V、60μF/400V、300μF/50V等均属于大容量电解电容。
放电操作完成后,使用数字万用表检测电解电容器的电容量,即可判断待测电解电容器性能的好坏,如下图所示:
1)将数字万用表的量程旋钮调至”100uf“档位;
2)将附加测试器插入数字万用表相应的插孔中;
3)将待测电解电容按照引脚极性对应插入附加测试器相应的插孔中;
4)在正常情况下,检测电解电容的电容量,与正常值进行对比。

万用表检测电解电容好坏

万用表检测电解电容好坏
检测电解电容充、放电状态
检测电解电容时,除了使用数字万用表检测电容量是否正常外,还可以使用指针万用表检测较大电解电容的充、放电过程,通过对电解电容充、放电的检测判断被测电解电容是否正常。如下图所示,为用指针万用表检测电解电容的充、放电操作。
1)将万用表的挡位调整至”X10K“欧姆档;
2)短接红黑表笔,调整零欧姆校正按钮,使万用表的指针指向零欧姆的位置;
3)将万用表的黑表笔搭在电解电容的正极引脚,红表笔搭在负极引脚,检测正向漏电电阻;
4)刚接通的瞬间,万用表的指针会向右(电流小的方向)摆动一个较大的角度,表针摆动到最大角度后,又会逐渐向左摆回,直至表针停在一个固定的位置;
5)将万用表的黑表笔搭在电解电容的负极引脚,红表笔搭在正极引脚,检测反向漏电电阻;
6)在正常情况下,反向漏电电阻小于正向漏电电阻。

电解电容测好坏方法

电解电容测好坏方法

电解电容测好坏方法
检测电解电容的正向直流电阻时,指针万用表的指针摆动速度较快,检测时应注意观察。若万用表的指针没有摆动,则表明该电解电容已经失去电容量。
对于较大的电解电容,可使用万用表检测充、放电过程;对于较小的电容,无须使用该方法检测电解电容的充、放电过程。
根据检测结构判断电解电容损坏原因
通常,在检测电解电容的直流电阻时会遇到几种不同的检测结果,通过不同的检测结果可以大致判断电解电容的损坏原因,如下图所示:
1)若表笔接触到电解电容的引脚后,表针摆动到一个角度随即向回稍微摆动一点,即没有摆回到较大的阻值,则说明该电解电容漏电严重;
2)若表笔接触到电解电容的引脚后,表针即向右摆动,并没有回摆现象,指示一个很小的电阻,则说明当前电解电容已经被击穿短路;
3)若表笔接触到电解电容的引脚后,表针没有摆动,仍指示阻值很大或者趋于无穷大,则说明该电解电容中的电解质已经干涸,失去电容量。

检测结果判断电解电容器损坏的原因
钽电解电容检测好坏方法
特例:电解电容器中有一种钽电解电容。该电容为贴片式,安装在电路板中,因此在检测该类电容器时,不可以采用直流电阻的检测法,通常使用万用表对其电容量进行检测,通过检测的电容量与标称值对比来判断钽电解电容本身性能的好坏,下图所示:
1)将万用表的两表笔分别搭在钽电解电容的两引脚两端
2)在正常情况下,可以检测电解电容的电容量,可以判断是否正常。

钽电解电容的检测方法
